SKF7210BECBM*轴承详细参数

发布时间:2026-04-15
角接触球轴承, 单列
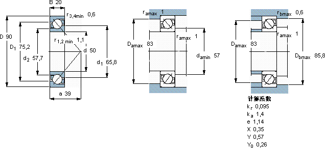
主要数据尺寸 尺寸 [英寸] 疲劳负荷限值 额定速度 体积 型号
动态 静态 参照速度 限制速度
d D B C C0 Pu * - SKF Explorer 轴承
mm kN kN r/min kg -
50902040311,32900090000,517210 BECBM *

SKF7210BECBM*角接触球轴承供应商

八零动力专业销售7210BECBM*角接触球轴承,库存SKF7210BECBM*大量现货,与SKF合作,咨询热线:022-58519723业务咨询
SKF7210BECBM*它的质量可靠,是众多机械设备制造商的首选配件它的抗疲劳性能,确保了长期使用的可靠性 它在矿山设备中的应用,确保了设备的高负载能力 不得不说,这款轴承的品质过硬,在行业内堪称典范,优秀的设计理念和精湛的制造工艺,成就了这款优秀的轴承精准承载,八零动力SKF角接触球轴承品种全,价格优,质量有保证!

用户关注最多的SKF轴承型号

SKF24780/24720/Q SKF6007-2RZ* SKF7202BEGAP* SKF71906CD/HCP4A SKFBEAS015045-2Z SKFCR11429 SKFCR17146 SKFCR26373 SKFCR431.8x482.6x17.45HDS2V SKFCR86575 SKFHN4020 SKFIR12x16x13 SKFNNCL4848CV SKFNU2228E SKFPDNB214

7210BECBM*角接触球轴承近似的SKF轴承型号

SKF7210BEY SKF7210BECBP SKF7210BECBM* SKF7210AC/DB SKF7210AC SKF7210C/DF SKF2x7210BECBY SKF7210BECBM SKF7210C/DT SKF7210B/DF SKF7210BECBJ SKF7210BECBP*

用户关注最多的轴承狗热门型号

GMN  7014C/DF TIMKEN  RA009RR SKF  249/1000CA/W33 RHP  NUP306 INA  GS81256 KOYO  NNU4964 SKF  CR55X100X12HMS5RG SKF  NU18/1700ECMA/HB1 NSK  7212BWDF SKF  PCM505560E INA  LR5004-2RS NACHI  53238 IKO  NAG4904 IKO  MXS45 IKO  LWHT25...B

版权所有©2009-2015 轴承狗zcgou.com ICP备案:津ICP备14004550号-13