SKF7210BEGAP*轴承详细参数

发布时间:2026-05-30
角接触球轴承, 单列
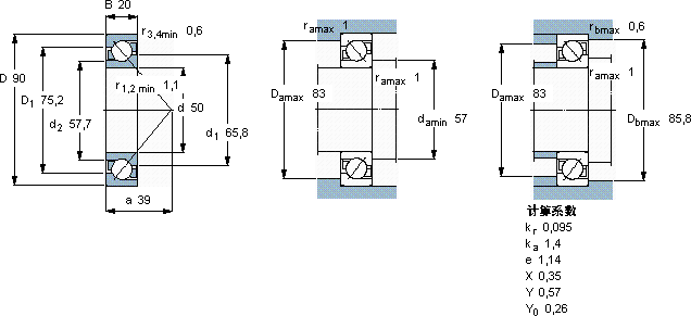
主要数据尺寸 尺寸 [英寸] 疲劳负荷限值 额定速度 体积 型号
动态 静态 参照速度 限制速度
d D B C C0 Pu * - SKF Explorer 轴承
mm kN kN r/min kg -
50902040311,32900090000,477210 BEGAP *

SKF7210BEGAP*角接触球轴承供应商

八零动力专业销售7210BEGAP*角接触球轴承,库存SKF7210BEGAP*大量现货,与SKF合作,咨询热线:022-58519723业务咨询
SKF7210BEGAP*它的旋转精度,让高速运转成为现实 它的抗剪切性能,确保了它的结构稳定性 它的精密制造工艺,让人叹为观止 它的抗磨损涂层,让它更加耐用 先进的生产工艺,打造出了这款性能卓越的轴承设计独特的轴承,不仅性能优越,还具有很高的性价比,八零动力SKF角接触球轴承品种全,价格优,质量有保证!

用户关注最多的SKF轴承型号

SKF29244 SKF30228T106J2/DB SKF3312 SKF7020ACE/P4A SKF71912ACD/P4A SKFBT4B331089A/HA4 SKFCR29865 SKFCR50x80x8CRW1V SKFCR524227 SKFCR9611 SKFCR99837 SKFFSNL519TURU SKFNAO9x22x12TN SKFNNU40/750KM/W33 SKFYEL204-2F

7210BEGAP*角接触球轴承近似的SKF轴承型号

SKF7210B/DB SKF7210BECBP SKF7210C/DT SKF2x7210BEGAP* SKF7210C/DF SKF7210AC/DF SKF2x7210BEGAM* SKF7210AC/DB SKF2x7210BECBY SKF7210B/DF SKF7210BECBY SKF7210BEP

用户关注最多的轴承狗热门型号

SKF  PCM11011560E KOYO  7211AC 国产  3206A-RSTN1 FAG  23076-B-K-MB + H3076 SNR  7216B/DB LYC  NNQB 2418 X2/P5 国产  7312BTN1 MRC  6218N NSK  7902CDT TIMKEN  LM119348/LM119311D/LM119348XA RHP  7224C/DB FAG  NJ332-E-M1 NACHI  SN3134 SKF  NJ2328E+HJ2328E SKF  NA2201.2RS

版权所有©2009-2015 轴承狗zcgou.com ICP备案:津ICP备14004550号-13