SKF7210BEY轴承详细参数

发布时间:2026-05-30
角接触球轴承, 单列
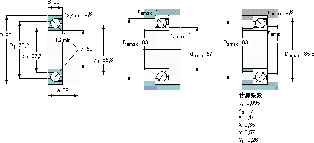
主要数据尺寸 尺寸 [英寸] 疲劳负荷限值 额定速度 体积 型号
动态 静态 参照速度 限制速度
d D B C C0 Pu
mm kN kN r/min kg -
5090203930,51,29850085000,477210 BEY

SKF7210BEY角接触球轴承供应商

八零动力专业销售7210BEY角接触球轴承,库存SKF7210BEY大量现货,与SKF合作,咨询热线:022-58519723业务咨询
SKF7210BEY承载未来它的模块化设计,让安装和更换变得轻松便捷 它的精密制造工艺,让人叹为观止 它在机床设备中的应用,确保了加工精度 它的加工精度,确保了机械运转的稳定性 轴承的耐用性超乎想象,有效降低了设备的维护成本,八零动力SKF角接触球轴承品种全,价格优,质量有保证!

用户关注最多的SKF轴承型号

SKF331159A SKF618/530MA SKF7212CD/P4A SKF7224C SKFAOHX3088G SKFCR15750 SKFCR18492 SKFCR20X40X7HMSA10RG SKFCR85X130X12HMS5RG SKFK70x78x30 SKFN316ECM* SKFSAFC2222 SKFSNL3184LTURT SKFSYH2.7/16TF/AH SKFSYNT80F

7210BEY角接触球轴承近似的SKF轴承型号

SKF7210BECBM* SKF7210AC/DB SKF2x7210BECBM* SKF7210BEP SKF7210C/DF SKF7210B/DF SKF7210C SKF7210BEY SKF7210AC/DT SKF7210BEP SKF7210BEP SKF7211AC

用户关注最多的轴承狗热门型号

INA  GE12-AX LYC  NU 344 M NACHI  53222 SKF  PCZ1208B SKF  AH2336G BARDEN  71909C LYC  22240 CAK/W33+H3140 国产  6317-2RS/Z2 TIMKEN  67790 /67720-B NSK  7201A5 NTN  7303B/DT SKF  BC2B322969/HB1 FAG  SNV215-L + 21320-E1-K-TVPB + H320X307 + DHV620X307 SNR  32017 SKF  NNU40/560M/W33

版权所有©2009-2015 轴承狗zcgou.com ICP备案:津ICP备14004550号-13