SKF7210BECBP*轴承详细参数

发布时间:2026-05-29
角接触球轴承, 单列
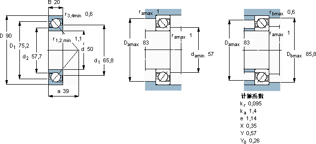
主要数据尺寸 尺寸 [英寸] 疲劳负荷限值 额定速度 体积 型号
动态 静态 参照速度 限制速度
d D B C C0 Pu * - SKF Explorer 轴承
mm kN kN r/min kg -
50902040311,32900090000,477210 BECBP *

SKF7210BECBP*角接触球轴承供应商

八零动力专业销售7210BECBP*角接触球轴承,库存SKF7210BECBP*大量现货,与SKF合作,咨询热线:022-58519723业务咨询
SKF7210BECBP*它的精密装配,确保了整体性能的卓越 它在食品机械中的应用,展现了它的卫生性能 这款轴承的性能卓越,有效提升了设备的整体性能和可靠性卓越的性能表现,使这款轴承在市场上拥有良好的口碑它的材质选择,体现了对品质的极致追求 承载未来,八零动力SKF角接触球轴承品种全,价格优,质量有保证!

用户关注最多的SKF轴承型号

SKF2x7311BEGCY SKF332131 SKF3585/3525/Q SKF6319-2RS1* SKF71909CD/P4A SKF7230BCBM SKFBT4B328725G/HA1 SKFCR24255 SKFCR39276 SKFCR45X60X7HMS5RG SKFN1012KTN/SP SKFNJ2211ECP* SKFNUP228ECJ* SKFPCM505560B SKFSYE2.1/2NH-118

7210BECBP*角接触球轴承近似的SKF轴承型号

SKF7210C/DB SKF2x7210BECBY SKF7210BECBP* SKF7210BECBY SKF7210AC/DB SKF7210BECBJ SKF7210BECBP SKF7210B/DF SKF7210BEY SKF2x7210BECBP* SKF7210BECBM* SKF7210BECBY

用户关注最多的轴承狗热门型号

BARDEN  7310C SKF  51306V/HR22Q2 MRC  7200B/DF FAG  24036-E1-K30 + AH24036 INA  CSXAA010-TN SKF  71807ACD/HCP4 SKF  NN3036K/SPW33 KOYO  22218RHRK+H318X DKF  7305AC/DB RHP  7038C/DF INA  GAY45-NPP-B LYC  QJ 328 N2M 国产  31080X2 INA  K81106-TV IKO  GS80115

版权所有©2009-2015 轴承狗zcgou.com ICP备案:津ICP备14004550号-13