SKF7206BECBP*轴承详细参数

发布时间:2026-05-30
角接触球轴承, 单列
主要数据尺寸 尺寸 [英寸] 疲劳负荷限值 额定速度 体积 型号
动态 静态 参照速度 限制速度
d D B C C0 Pu * - SKF Explorer 轴承
mm kN kN r/min kg -
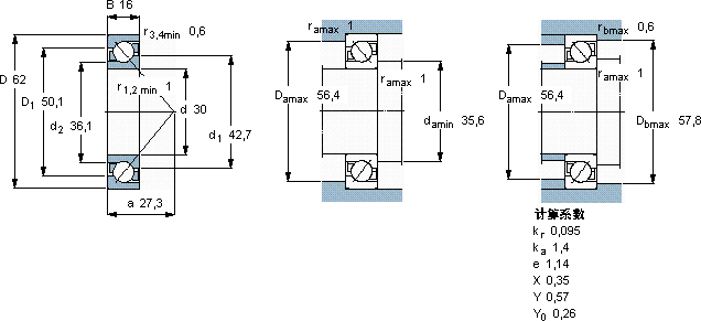
3062162415,60,65514000140000,197206 BECBP *

SKF7206BECBP*角接触球轴承供应商

八零动力专业销售7206BECBP*角接触球轴承,库存SKF7206BECBP*大量现货,与SKF合作,咨询热线:022-58519723业务咨询
SKF7206BECBP*精密与耐用的完美结合,它在机器人领域的应用,展现了它的高精密性 减少摩擦降低能耗为您的设备保驾护航,让机械运转无忧质量无可比拟的轴承,在行业内树立了良好的品质标杆它的抗冲击能力,让它经久不衰 ,八零动力SKF角接触球轴承品种全,价格优,质量有保证!

用户关注最多的SKF轴承型号

SKF190 SKF22310EK+AHX2310* SKF22334CC/W33 SKF24044CCK30/W33+AOH24044* SKF61809-2RZ SKF7028BGM SKF7318BEP SKFCR11134 SKFCR13796 SKFCR401304 SKFCR41126 SKFK35x40x13 SKFK100x108x27 SKFNU314ECML* SKFYAR215-215-2F

7206BECBP*角接触球轴承近似的SKF轴承型号

SKF7206BECBP SKF7206BECAP* SKF2x7206BECBP* SKF7206BECBY SKF7206BEGAY SKF2x7206BEGAP* SKF7206B SKF7206AC/DB SKF7206BEP SKF7206AC/DF SKF7206BECBM* SKF7206BECBY

用户关注最多的轴承狗热门型号

LYC  380652/C5 FAG  22228-E1-K + H3128 NTN  NJ2205E+HJ2205E FAG  23218-E1-K-TVPB + AHX3218 NTN  NU2228 NACHI  22207EXK SKF  23230CCK/W33 SKF  GEZM308ES-2RS TORRINGTON  22352CCK/W33+H2352 SKF  CR28X38X8HMS5V 国产  NF203M MAC  N203 SKF  K16x20x17 FAG  SNV140-L + 2313-K-TVH-C3 + H2313X203 + FSV613X203 TORRINGTON  22313CCK/W33+H2313

版权所有©2009-2015 轴承狗zcgou.com ICP备案:津ICP备14004550号-13