SKF619/6-2Z轴承详细参数

发布时间:2026-04-14
深沟球轴承, 单列, 两面防尘罩
主要数据尺寸 基本负荷额定值 疲劳负荷限值 额定速度 体积 型号
动态 静态 参照速度 限制速度
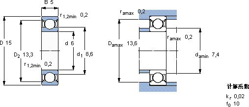
d D B C C0 Pu
mm kN kN r/min kg -
61551,240,4750,02100000500000,0039619/6-2Z

SKF619/6-2Z深沟球轴承供应商

八零动力专业销售619/6-2Z深沟球轴承,库存SKF619/6-2Z大量现货,与SKF合作,咨询热线:022-58519723业务咨询
SKF619/6-2Z以卓越品质转动的艺术它在轨道交通中的应用,确保了列车的安全运行 轴承的精度和稳定性都达到了行业顶尖水平为设备的精确运行提供了保障,该轴承的精度控制精准,为设备的精确运行提供了保障它的耐磨性能,让它在恶劣环境下依然稳定运行 ,八零动力SKF深沟球轴承品种全,价格优,质量有保证!

用户关注最多的SKF轴承型号

SKF1322KM+H322 SKF23138CC/W33 SKF3211ATN9 SKF71928C/DB SKFAH24138 SKFC31/530M* SKFCR140X170X15HMS5V SKFCR17x35x7CRW1R SKFCR29X50X10CRSH11R SKFCR32x48x8CRW1V SKFCR36x56x9CRSA1V SKFHK5520 SKFN500 SKFNUKR72A SKFPWM556350

619/6-2Z深沟球轴承近似的SKF轴承型号

SKF61911-2RS1 SKFW619/9 SKFW619/7-2Z SKFW619/7-2Z SKF61938 SKF61932MA SKF619/1120MB SKF619/500 SKF61934MA SKF61972 SKF619/6 SKF619/600MA

用户关注最多的轴承狗热门型号

国产  FC6492340 NACHI  22222AEX SKF  32006 SKF  NJ2840ECMA 国产  NU314ETN1 NTN  6302LLH SKF  HE313E INA  TKSD55-U DKF  7334B/DF NSK  7028A5 MRC  7204C/DB NACHI  6319-2NSL STEYR  NJ2226E SKF  S7020CD/P4A IKO  CFES12-1R

版权所有©2009-2015 轴承狗zcgou.com ICP备案:津ICP备14004550号-13