SKF619/600MA轴承详细参数

发布时间:2026-04-15
深沟球轴承, 单列, 无密封件
主要数据尺寸 基本负荷额定值 疲劳负荷限值 额定速度 体积 型号
动态 静态 参照速度 限制速度
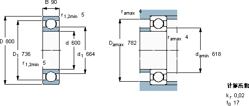
d D B C C0 Pu
mm kN kN r/min kg -
60080090585122019,614001100125619/600 MA

SKF619/600MA深沟球轴承供应商

八零动力专业销售619/600MA深沟球轴承,库存SKF619/600MA大量现货,与SKF合作,咨询热线:022-58519723业务咨询
SKF619/600MA优秀的设计让这款轴承在运行时更加高效节能它在家用电器中的应用,让生活更加便捷 开启顺畅运行新时代,精准运转先进的制造技术,让这款轴承的质量达到了行业领先水平它的使用寿命,远超同类产品 ,八零动力SKF深沟球轴承品种全,价格优,质量有保证!

用户关注最多的SKF轴承型号

SKF6203-RSH* SKF7220BEP SKFBS2-2309-2CS/VT143* SKFC2213KV+H313* SKFCR155X200X15CRSH11R SKFCR43691 SKFCR92534 SKFHM803146/110/Q SKFKMT6 SKFNNCL4872CV SKFNU316ECP* SKFNUP211E SKFPCMW183201.5B SKFSYR3.7/16NH SKFUC201

619/600MA深沟球轴承近似的SKF轴承型号

SKFW619/4-2Z SKFW619/2-2Z SKF61948MA SKF61944 SKF619/750MA SKFW619/5 SKFW619/5-2Z SKF619/4 SKFW619/5-2Z SKF61911-2RS1 SKF619/6-2Z SKF619/630N1MA

用户关注最多的轴承狗热门型号

LYC  2787/1400K1 NACHI  6009NKE NACHI  6024Z KOYO  22311RHR TIMKEN  435/432D/R800002 FAG  SNV120-L + 222S.203 + TSV513X203 FYH  UCFLU305 BARDEN  71904C/DF NTN  N1022 SKF  Z210F TIMKEN  RA201RRB TIMKEN  29685/29622D FAG  BND3068-H-C-Y-BL-S INA  NKX35 MAC  NJ230

版权所有©2009-2015 轴承狗zcgou.com ICP备案:津ICP备14004550号-13