SKF619/8轴承详细参数

发布时间:2026-04-15
深沟球轴承, 单列, 无密封件
主要数据尺寸 基本负荷额定值 疲劳负荷限值 额定速度 体积 型号
动态 静态 参照速度 限制速度
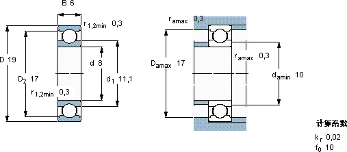
d D B C C0 Pu
mm kN kN r/min kg -
81961,90,7350,03180000500000,0071619/8

SKF619/8深沟球轴承供应商

八零动力专业销售619/8深沟球轴承,库存SKF619/8大量现货,与SKF合作,咨询热线:022-58519723业务咨询
SKF619/8精湛的制造工艺赋予了这款轴承出色的性能和可靠性是您机械世界里的不败功臣,它机械世界的心脏,默默支撑着无数设备的运转 为设备的精确运行提供了保障,该轴承的精度控制精准,为设备的精确运行提供了保障它的加工设备,代表了世界领先水平 卓越的设计和可靠的性能,是这款轴承的两大亮点,八零动力SKF深沟球轴承品种全,价格优,质量有保证!

用户关注最多的SKF轴承型号

SKF29472EM SKF619/1700MB SKF6200-2RSLTN9/HC5C3WT SKF7036AC SKFCR105x135x12CRWA1R SKFCR138X152X12CRSA1R SKFCR37577 SKFGE30TXE-2LS SKFGS89432 SKFMS31/710 SKFNNU4164F SKFNU2319ECML* SKFSAF22630x5.1/4 SKFSC71907DB/P7 SKFSNW38x7

619/8深沟球轴承近似的SKF轴承型号

SKF61913-2RZ SKF61956MA SKF61960MA SKF61905-2RS SKF61909-2RZ SKF619/1400MB SKF61915-2RS SKF61960 SKF619/8 SKF61902 SKF619/750MA SKF619/8-2RS1

用户关注最多的轴承狗热门型号

RHP  1319 SKF  K45x59x32 SKF  7016ACD/P4A SKF  FT13/16FM SKF  CR19097 FAG  NNU4926-S-K-M-SP TIMKEN  40FSH68-SS TORRINGTON FAFNIR  3208A-Z INA  E40-KRR-B SKF  231/1000CAKF/W33 KOYO  3578R/20 NSK  7915A5DB FAG  SNV140-L + 22313-E1-K + H2313 + TCV613 国产  234419BM NTN  NUP2318

版权所有©2009-2015 轴承狗zcgou.com ICP备案:津ICP备14004550号-13