SKF61907-2RS1轴承详细参数

发布时间:2026-04-15
深沟球轴承, 单列, 两面密封件
主要数据尺寸 基本负荷额定值 疲劳负荷限值 额定速度 体积 型号
动态 静态 参照速度 限制速度
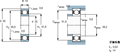
d D B C C0 Pu
mm kN kN r/min kg -
3555109,566,80,29-75000,08061907-2RS1

SKF61907-2RS1深沟球轴承供应商

八零动力专业销售61907-2RS1深沟球轴承,库存SKF61907-2RS1大量现货,与SKF合作,咨询热线:022-58519723业务咨询
SKF61907-2RS1卓越的设计理念,赋予了这款轴承超凡的性能成就非凡转动体验让您的设备一顺到底,它在家用电器中的应用,让生活更加便捷 这轴承的稳定性极佳,在高速运转时也能保持良好状态机械的心脏它的设计巧妙,在保证性能的同时,还兼顾了安装的便捷性,八零动力SKF深沟球轴承品种全,价格优,质量有保证!

用户关注最多的SKF轴承型号

SKF23130CC/W33 SKF30212J2/Q* SKF7215C/DT SKF7226AC/DT SKFCR25725 SKFCR40X56X8HMSA10V SKFCR63X85X10HMSA10RG SKFNA2203.2RS SKFNJG2307VH SKFNN3048K/W33 SKFNU2084ECMA SKFNUTR45100A SKFP80R-35FM SKFPCMW487402E SKFYAR207-2F

61907-2RS1深沟球轴承近似的SKF轴承型号

SKF61907 SKF61907-2RZ SKF61907-2RS SKF61907-2RS1 SKF61907-2RS SKF61907-2RZ

用户关注最多的轴承狗热门型号

LYC  7310 AC/P6 NTN  NN3030 NSK  NUP2238M FAG  SNV130-L + 20215-K-TVP-C3 + H215X207 + FSV515X207 TIMKEN  EE430900/431576CD/X3S-430900 国产  7206BTN1 LYC  1797/3230G2K7 LYC  NU 210 Q1/P6S0 LYC  6212 E-2Z/C3 NACHI  E33011J NSK  7217ADF ZKL  7218B RHP  7309B/DF KOYO  NJ2205E IKO  KT223015

版权所有©2009-2015 轴承狗zcgou.com ICP备案:津ICP备14004550号-13