SKF61988MA轴承详细参数

发布时间:2026-04-15
深沟球轴承, 单列, 无密封件
主要数据尺寸 基本负荷额定值 疲劳负荷限值 额定速度 体积 型号
动态 静态 参照速度 限制速度
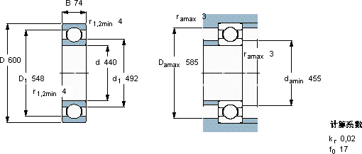
d D B C C0 Pu
mm kN kN r/min kg -
4406007441072013,22000160060,561988 MA

SKF61988MA深沟球轴承供应商

八零动力专业销售61988MA深沟球轴承,库存SKF61988MA大量现货,与SKF合作,咨询热线:022-58519723业务咨询
SKF61988MA质量上乘的轴承,是提升机械设备性能的关键因素它的低噪音设计,减少了对环境的噪音污染 它的可靠性,赢得了无数工程师的信任 设计合理、性能优良的它,是机械设备稳定运行的重要保障它的抗磨损涂层,让它更加耐用 它的抗压强度,让它承载能力惊人 ,八零动力SKF深沟球轴承品种全,价格优,质量有保证!

用户关注最多的SKF轴承型号

SKF1320K SKF305609A SKF31322 SKF539/532X SKF7219BECBY SKFCR115x135x12CRW1R SKFCR415003 SKFCR65x100x8CRW1V SKFFSYE3.1/2N-118 SKFK20x24x13 SKFN1008KTNHA/HC5SP SKFNUP2214ECML* SKFSIQG160ES SKFSNL3164G SKFW637/3-2Z

61988MA深沟球轴承近似的SKF轴承型号

SKF61988MA SKF61988MA SKF61988 SKF61988MA SKF619/9

用户关注最多的轴承狗热门型号

TIMKEN  GY1101KRRB LYC  132.45.2240.002 NTN  NJ222E LYC  6206 E-2RS/C3LHT SKF  NF19/850ECM2P/HA1 KOYO  24188R SKF  LS1226 TIMKEN  SM1315WB-BR KOYO  6007-2RZ FAG  LOE628-N-AF-L STEYR  52334 LYC  132.50.4000.03K2 SKF  81207TN IKO  PRC22 IKO  CR22BUU

版权所有©2009-2015 轴承狗zcgou.com ICP备案:津ICP备14004550号-13