SKF619/6轴承详细参数

发布时间:2026-04-15
深沟球轴承, 单列, 无密封件
主要数据尺寸 基本负荷额定值 疲劳负荷限值 额定速度 体积 型号
动态 静态 参照速度 限制速度
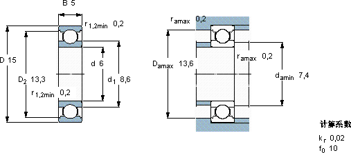
d D B C C0 Pu
mm kN kN r/min kg -
61551,240,4750,02100000630000,0039619/6

SKF619/6深沟球轴承供应商

八零动力专业销售619/6深沟球轴承,库存SKF619/6大量现货,与SKF合作,咨询热线:022-58519723业务咨询
SKF619/6您值得拥有它的承载能力,堪称机械界的“大力士” 它的可回收性,体现了环保理念 质量上乘的轴承,是提升机械设备性能的关键因素这轴承的设计巧妙,充分考虑了设备的运行需求和维护便利性先进的生产工艺,让这款轴承的性能得到了极大提升,八零动力SKF深沟球轴承品种全,价格优,质量有保证!

用户关注最多的SKF轴承型号

SKF23232CC/W33 SKF294/500 SKF7018ACE/P4A SKF7026C/DF SKF71911CE/P4A SKF7312BEM SKFCR1800257 SKFCR29685 SKFGE17ES SKFCR99200 SKFNJ417M SKFPCM242725E SKFPFD17FM SKFSYE2.3/16N-118 SKFYAR216-2F/W64

619/6深沟球轴承近似的SKF轴承型号

SKF61909-2RS SKF61934MA SKF61924 SKF61908 SKF61909-2RS1 SKF61903-2RZ SKF61916-RZ SKF61916 SKF61940MA SKF61948MA SKF619/560MA SKF619/6-2Z

用户关注最多的轴承狗热门型号

NTN  7905DF SKF  22208EK+AH308* SKF  PFT40WF LYC  7320 CM/P5 LYC  FCD 106142520 LYC  6003 E-2RZ/C3 LYC  NJ 234 M NTN  NU316E 国产  6218-NR INA  RALTR25 RHP  NF219 SNFA  7021C LYC  6214 E INA  PAF14170-P10 IKO  CF18BUU

版权所有©2009-2015 轴承狗zcgou.com ICP备案:津ICP备14004550号-13