SKF618/800MA轴承详细参数

发布时间:2026-04-14
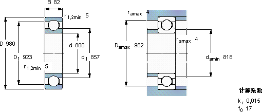
深沟球轴承, 单列, 无密封件
主要数据尺寸 基本负荷额定值 疲劳负荷限值 额定速度 体积 型号
动态 静态 参照速度 限制速度
d D B C C0 Pu
mm kN kN r/min kg -
80098082559137019,31000850130618/800 MA

SKF618/800MA深沟球轴承供应商

八零动力专业销售618/800MA深沟球轴承,库存SKF618/800MA大量现货,与SKF合作,咨询热线:022-58519723业务咨询
SKF618/800MA旋转无忧它的质量可靠,是众多机械设备制造商的首选配件零误差起步它的每一次转动,都是对精准度的极致追求 它的耐磨性能,让它在恶劣环境下依然稳定运行 承载未来,八零动力SKF深沟球轴承品种全,价格优,质量有保证!

用户关注最多的SKF轴承型号

SKF315268BC SKF32224J2/DF SKF32315J2 SKF32320J2 SKF47678/47620/Q SKF626-2RS SKF6096N1MB SKF6319/C3VL0241 SKFC71910FB/P7 SKFCR14756 SKFCR29872 SKFNNU4088KM/W33 SKFPCM252850M SKFPWM556350 SKFT7FC045/HN3QCL7C

618/800MA深沟球轴承近似的SKF轴承型号

SKF618/800MA SKF61896 SKF61817-RZ SKF61819-RZ SKF61888 SKF61811-RS SKF618/530MA SKF61864MA SKF618/1180MA SKF61884 SKF618/8 SKF618/850MA

用户关注最多的轴承狗热门型号

FAG  BND3156-H-W-T-AF-S SKF  23264CAC/W33 KOYO  NU1018 SKF  W618/4 TIMKEN  46790/46720-B SNR  7321C/DF SKF  4216ATN9 KINGON  MF93ZZ LYC  6312 E/C3Z2 INA  KUVE20-B-SNL TIMKEN  EE420800D/421437/Y1S-421437 SKF  PCZ6448B SKF  HS315 SKF  CR30x50x8CRW1R IKO  BHAM88

版权所有©2009-2015 轴承狗zcgou.com ICP备案:津ICP备14004550号-13