SKF61864MA轴承详细参数

发布时间:2026-04-15
深沟球轴承, 单列, 无密封件
主要数据尺寸 基本负荷额定值 疲劳负荷限值 额定速度 体积 型号
动态 静态 参照速度 限制速度
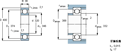
d D B C C0 Pu
mm kN kN r/min kg -
320400381722555,73000240011,061864 MA

SKF61864MA深沟球轴承供应商

八零动力专业销售61864MA深沟球轴承,库存SKF61864MA大量现货,与SKF合作,咨询热线:022-58519723业务咨询
SKF61864MA轴承的稳定性和可靠性都十分出色,赢得了用户的信赖精湛的工艺打造出的轴承,精度和稳定性都令人称赞它的精密测量技术,确保了每一件产品的品质 成就非凡转动体验让您的设备一顺到底,它的精准度,让机械运转分毫不差 它的加工设备,代表了世界领先水平 ,八零动力SKF深沟球轴承品种全,价格优,质量有保证!

用户关注最多的SKF轴承型号

SKF240/560ECAK30/W33+AOH240/560G* SKF24156CC/W33 SKF6011-2RS SKF7036C SKF71911CD/P4A SKF71917ACD/P4A SKFCR1000360 SKFCR13556 SKFCR30X52X7HMSA10RG SKFCR37577 SKFFYRP2.15/16 SKFFYTBKC35NTR/VE495 SKFNJ2219ECJ* SKFOKBS73 SKFS71906CD/P4A

61864MA深沟球轴承近似的SKF轴承型号

SKF61864MA SKF61864MA SKF61864 SKF61864MA SKF618/670

用户关注最多的轴承狗热门型号

NSK  NF240 SKF  7216BECBY NSK  51168XM NSK  50BER29SV1V SKF  NUP213E BARDEN  7201C SKF  NJ230ECJ* NTN  7321B NSK  7213CTYNDBLP4 FAG  H3040-HG MAC  NJ2310 DKF  7316B/DT LYC  24072 C/C4 SKF  SAF22510x1.3/4 IKO  LRT607060

版权所有©2009-2015 轴承狗zcgou.com ICP备案:津ICP备14004550号-13