SKF618/8轴承详细参数

发布时间:2026-04-14
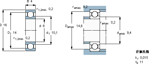
深沟球轴承, 单列, 无密封件
主要数据尺寸 基本负荷额定值 疲劳负荷限值 额定速度 体积 型号
动态 静态 参照速度 限制速度
d D B C C0 Pu
mm kN kN r/min kg -
81641,330,570,02490000560000,0030618/8

SKF618/8深沟球轴承供应商

八零动力专业销售618/8深沟球轴承,库存SKF618/8大量现货,与SKF合作,咨询热线:022-58519723业务咨询
SKF618/8它的长寿命,减少了资源浪费 有效增强了机械设备的竞争力它的精密设计,展现了人类智慧的巅峰 轴承的精度极高,使得设备的运行误差被控制在极小范围内轴承的耐用性极佳,为设备的长期稳定运行提供了保障为您的工程保驾护航,,八零动力SKF深沟球轴承品种全,价格优,质量有保证!

用户关注最多的SKF轴承型号

SKF2x7310BEGAM* SKF6201-2RSH* SKF71915ACE/HCP4A SKFCR15660 SKFCR45X62X7HMSA10RG SKFCR510X560X25HDS2D SKFCR52447 SKFNA4901.2RS SKFNN3080K/SPW33 SKFNNF5040ADA-2LSV SKFPDNB220 SKFS7016CD/HCP4A SKFSDAF22526 SKFSYR2.1/2H-18 SKFYEL203-008-2FCW

618/8深沟球轴承近似的SKF轴承型号

SKF618/1060TN SKFW618/5 SKF61809-RS SKF61826-2RS1 SKF61880MA SKF618/1400MA SKF61810 SKF61896MA SKF61810-2RS1 SKF618/750MA SKF618/750MA SKF618/800MA

用户关注最多的轴承狗热门型号

NACHI  54217 SKF  CR800x850x25.4HS8R 国产  306/48 SKF  7411BGBM FLT  NJ2224 MRC  7215C/DF NSK  7014A5TYNP5 SKF  FY35WF FAG  VRE307-F LYC  7044 AC/P4 INA  ABE.KWSE25-FE-NBR SKF  SY1.3/4TF NTN  51180 SKF  6202-2Z/VA201 IKO  BAMW3228

版权所有©2009-2015 轴承狗zcgou.com ICP备案:津ICP备14004550号-13