SKF618/1120MA轴承详细参数

发布时间:2026-04-14
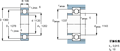
深沟球轴承, 单列, 无密封件
主要数据尺寸 基本负荷额定值 疲劳负荷限值 额定速度 体积 型号
动态 静态 参照速度 限制速度
d D B C C0 Pu
mm kN kN r/min kg -
11201360106741220026,5630530315618/1120 MA

SKF618/1120MA深沟球轴承供应商

八零动力专业销售618/1120MA深沟球轴承,库存SKF618/1120MA大量现货,与SKF合作,咨询热线:022-58519723业务咨询
SKF618/1120MA它机械世界的心脏,默默支撑着无数设备的运转 减少摩擦降低能耗为设备的精确运行提供了保障,该轴承的精度控制精准,为设备的精确运行提供了保障精湛的工艺打造出的轴承,精度和稳定性都令人称赞不得不说,这款轴承的品质过硬,在行业内堪称典范,它的轴向跳动控制,确保了机械的平稳运行 ,八零动力SKF深沟球轴承品种全,价格优,质量有保证!

用户关注最多的SKF轴承型号

SKF2207E-2RS1KTN9 SKF231/750CA/W33 SKF30206J2/Q SKF6220-2Z/VA208 SKFBA3 SKFBT2B328381/HA1 SKFC3024V* SKFC4908K30V* SKFCR145x170x15CRSA1R SKFH3128 SKFK35x42x20 SKFOKC440 SKFSNL3272L SKFSNW24x4.1/4 SKFSYH1.3/16TF/AH

618/1120MA深沟球轴承近似的SKF轴承型号

SKF61860MA SKF61814-RZ SKF61807-2RS SKF61807-2RS1 SKFW618/6 SKF61815-2RZ SKF61800-2RS SKF618/530 SKF61820-2RS1 SKF618/800 SKF618/1060TN SKF618/1120TN

用户关注最多的轴承狗热门型号

NTN  3218 TIMKEN  HM804849/HM804810 LYC  23228 CA INA  201-NPP-B SKF  N324ECM* 国产  6011-2RS/Z3 NSK  7203A5TYNP5 TIMKEN  7309WN SKF  6310-2RS1/HC5C3WT FAG  23038-E1-K-TVPB + AH3038G RHP  7021C/DB MRC  N218 LYC  382064/YB2-2 NACHI  52326 IKO  IRT2820

版权所有©2009-2015 轴承狗zcgou.com ICP备案:津ICP备14004550号-13