SKF618/850MA轴承详细参数

发布时间:2026-04-15
深沟球轴承, 单列, 无密封件
主要数据尺寸 基本负荷额定值 疲劳负荷限值 额定速度 体积 型号
动态 静态 参照速度 限制速度
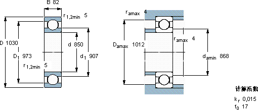
d D B C C0 Pu
mm kN kN r/min kg -
850103082559143019,6950750140618/850 MA

SKF618/850MA深沟球轴承供应商

八零动力专业销售618/850MA深沟球轴承,库存SKF618/850MA大量现货,与SKF合作,咨询热线:022-58519723业务咨询
SKF618/850MA始终顺滑如初,它的轴向游隙控制,精准到令人惊叹 精准承载它的抗冲击能力,让它经久不衰 它的长寿命,减少了更换频率 质量上乘的轴承,是提升机械设备性能的关键因素,八零动力SKF深沟球轴承品种全,价格优,质量有保证!

用户关注最多的SKF轴承型号

SKF30228J2/DFC100 SKF6011/HR22Q2 SKF7030C/DT SKF71917ACD/HCP4A SKFBT2B332753 SKFBTM100B/P4CDBB SKFC3068KM+OH3068H* SKFCR13112 SKFFYTJ45TF SKFHS213 SKFN311ECP SKFN326ECM* SKFNU2032ECMA SKFS7016ACD/HCP4A SKFZW20x28

618/850MA深沟球轴承近似的SKF轴承型号

SKF618/560 SKFW618/5 SKFW618/8 SKF61817-2RS SKF618/900 SKF618/1120MA SKF61824 SKF61804-RZ SKF61816 SKF61810-RZ SKF618/800MA SKF618/9

用户关注最多的轴承狗热门型号

KOYO  22220CCK/W33+H320 SKF  7006ACE/P4A INA  VSI250855-N TIMKEN  24780/24720 ASK  NU422 FAG  23148-B-MB SKF  RNA4928 SKF  K22x29x16 TIMKEN  NUP2207E.TVP 国产  52322 LYC  NN 3056/P5 SKF  7202ACD/P4A FAG  SNV110-L + 22310-E1 + DH310 LYC  NN 3076 K/C2 IKO  CRH12VUUR

版权所有©2009-2015 轴承狗zcgou.com ICP备案:津ICP备14004550号-13