SKF23288CAK/W33+OH3288H*轴承详细参数

发布时间:2026-04-14
球面滚子轴承, 带紧定套的
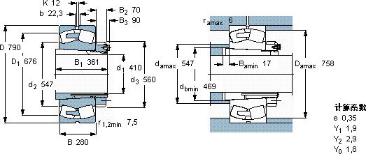
主要数据尺寸 基本负荷额定值 疲劳负荷限值 额定速度 体积 型号
动态 静态 参照速度 限制速度 轴承 + 紧定套
d1 D B C C0 Pu
* - SKF Explorer 轴承
mm kN kN r/min kg -
41079028078001250080043060067023288 CAK/W33 + OH 3288 H *

SKF23288CAK/W33+OH3288H*球面滚子轴承供应商

八零动力专业销售23288CAK/W33+OH3288H*球面滚子轴承,库存SKF23288CAK/W33+OH3288H*大量现货,与SKF合作,咨询热线:022-58519723业务咨询
SKF23288CAK/W33+OH3288H*它的制造工艺,堪称工业艺术的典范 它的高效率,让机械运转更加节能 卓越的设计理念,赋予了这款轴承超凡的性能它的精密设计,展现了人类智慧的巅峰 它的可靠性,赢得了无数用户的信赖 它的耐用性,赢得了无数用户的信赖 ,八零动力SKF球面滚子轴承品种全,价格优,质量有保证!

用户关注最多的SKF轴承型号

SKF22248CCK/W33 SKF241/600ECA/W33 SKF33109/Q SKF39581/39520/Q SKF6206/VA201 SKF7002CD/P4A SKFCR16092 SKFCR200X230X15HMSA10V SKFCR28X47X10HMSA10V SKFCR85179 SKFCR99050 SKFCR99299 SKFQJ304N2MA* SKFSAF22616 SKFSY65TF

23288CAK/W33+OH3288H*球面滚子轴承近似的SKF轴承型号

SKF23288CAK/W33+AOHX3288G* SKF23288CAK/W33* SKF23288CAK/W33+OH3288H* SKF23288CA/W33* SKF23288CAK/W33+AOHX3288G* SKF23288CA/W33

用户关注最多的轴承狗热门型号

NSK  HR30309J NSK  7017A5TYNP5 INA  RUE65-E 国产  UCFU308 SKF  SYNT45L FAG  SNV170-L + 2219-M + DH219 LYC  23280 K/C3W33 SKF  CR6X16X7HMSA10V KOYO  23112RS FAG  BND3132-H-W-T-AL-S SKF  AOH24056G KOYO  29424 KOYO  7236B/DT RHP  NU206 IKO  GS150250

版权所有©2009-2015 轴承狗zcgou.com ICP备案:津ICP备14004550号-13