SKF241/630ECA/W33轴承详细参数

发布时间:2026-04-09
球面滚子轴承, 圆柱和圆锥孔, 圆柱型内孔, 无密封件
主要数据尺寸 基本负荷额定值 疲劳负荷限值 额定速度 体积 型号
动态 静态 参照速度 限制速度
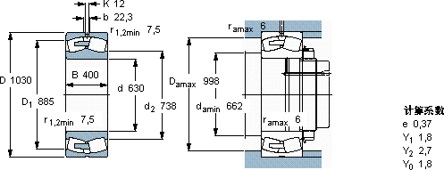
d D B C C0 Pu
mm kN kN r/min kg -
6301030400127002700016302204501400241/630 ECA/W33

SKF241/630ECA/W33球面滚子轴承供应商

八零动力专业销售241/630ECA/W33球面滚子轴承,库存SKF241/630ECA/W33大量现货,与SKF合作,咨询热线:022-58519723业务咨询
SKF241/630ECA/W33设计独特的轴承,不仅性能优越,还具有很高的性价比高精度的制造工艺,让这款轴承的性能更加出色它在矿山设备中的应用,确保了设备的高负载能力 性能优越的轴承,极大地提高了设备的工作效率和稳定性它的设计巧妙,在保证性能的同时,还兼顾了安装的便捷性设计合理、性能优良的它,是机械设备稳定运行的重要保障,八零动力SKF球面滚子轴承品种全,价格优,质量有保证!

用户关注最多的SKF轴承型号

SKF115 SKF314420/VJ202 SKF3311A-2RS1/MT33* SKF7321B/DT SKF81206 SKFCR11082 SKFCR30X50X8HMS5V SKFCR35422 SKFCR48X72X7HMSA10RG SKFHK0408 SKFM249747/710 SKFNU2360ECMA SKFNUP307ECML* SKFSI6E SKFUEL208

241/630ECA/W33球面滚子轴承近似的SKF轴承型号

SKF24172ECCJ/W33* SKF24168ECCK30J/W33* SKF24168ECCK30J/W33+AOH24168* SKF241/710ECAK30/W33+AOH241/710 SKF24160CC/W33* SKF24168ECCJ/W33* SKF24172ECCK30J/W33* SKF24148CCK30/W33+AOH24148* SKF24172ECCK30J/W33+AOH24172* SKF24188ECAK30/W33+AOH24188* SKF241/630ECAK30/W33 SKF241/670ECAK30/W33+AOH241/670

用户关注最多的轴承狗热门型号

KOYO  46T32310JR/71.5 NTN  NA6903 NSK  T4CB120 SKF  SNL3076GF LYC  62/28 E SKF  NNCL4844CV RHP  1314 国产  61901 LYC  NJ 2224 EM/YB BARDEN  7005AC/DT SKF  2x7316BECBP* KOYO  NNU4984 国产  3810/530 SKF  T4EB240/VE174 IKO  CFS3F

版权所有©2009-2015 轴承狗zcgou.com ICP备案:津ICP备14004550号-13