SKF24184ECA/W33*轴承详细参数

发布时间:2026-05-29
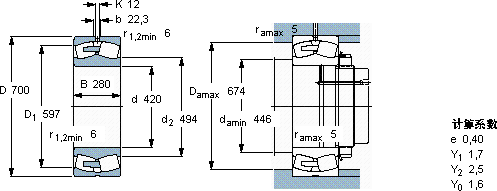
球面滚子轴承, 圆柱和圆锥孔, 圆柱型内孔, 无密封件
主要数据尺寸 基本负荷额定值 疲劳负荷限值 额定速度 体积 型号
动态 静态 参照速度 限制速度
d D B C C0 Pu * - SKF Explorer 轴承
mm kN kN r/min kg -
42070028073501260085040070044524184 ECA/W33 *

SKF24184ECA/W33*球面滚子轴承供应商

八零动力专业销售24184ECA/W33*球面滚子轴承,库存SKF24184ECA/W33*大量现货,与SKF合作,咨询热线:022-58519723业务咨询
SKF24184ECA/W33*它的加工精度,确保了机械运转的稳定性 它的承载能力,堪称机械界的“大力士” 设计独特、性能优越的轴承,满足了不同用户的需求它的轻量化设计,减少了运输成本 轴承的耐用性超乎想象,有效降低了设备的维护成本它的低噪音设计,减少了对环境的噪音污染 ,八零动力SKF球面滚子轴承品种全,价格优,质量有保证!

用户关注最多的SKF轴承型号

SKF1307 SKF71907ACD/HCP4A SKF81184 SKFCR20148 SKFCR92x127x11.13CRWH1R SKFCR594025 SKFN1013KTN/SP SKFN1018KTN9/HC5SP SKFNU29/950ECMA SKFPCZ0806M SKFS7019ACD/HCP4A SKFS7022CD/P4A SKFSYNT45FTS SKFUE203 SKFW6209

24184ECA/W33*球面滚子轴承近似的SKF轴承型号

SKF24184ECA/W33* SKF24184ECAK30/W33+AOH24184* SKF24184ECAK30/W33* SKF24184ECA/W33 SKF241/850ECAF/W33

用户关注最多的轴承狗热门型号

MAC  NUP2208 NTN  7917CDB MRC  6216 INA  CSEB030 KOYO  F685 FAG  SNV160-L + 21315-E1-K + H315X210 + DH615 DKF  7336B/DT INA  RWS1808-225/x225/x166 TIMKEN  SDAF22336 FAG  SNV180-L + 22317-E1-K + H2317 + TSV617 国产  33208 SNR  7318B/DT LYC  6305 E/P63Z2 NSK  231/670CAME4 IKO  CRBC9016UU

版权所有©2009-2015 轴承狗zcgou.com ICP备案:津ICP备14004550号-13