SKF24128-2CS5/VT143*轴承详细参数

发布时间:2026-04-14
球面滚子轴承, 圆柱和圆锥孔, 圆柱型内孔, 两面密封件
主要数据尺寸 基本负荷额定值 疲劳负荷限值 额定速度 体积 型号
动态 静态 参照速度 限制速度
d D B C C0 Pu * - SKF Explorer 轴承
mm kN kN r/min kg -
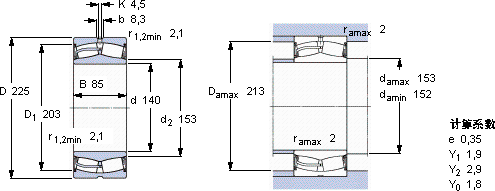
140225857651160112-45013,524128-2CS5/VT143 *

SKF24128-2CS5/VT143*球面滚子轴承供应商

八零动力专业销售24128-2CS5/VT143*球面滚子轴承,库存SKF24128-2CS5/VT143*大量现货,与SKF合作,咨询热线:022-58519723业务咨询
SKF24128-2CS5/VT143*优秀的设计理念和精湛的制造工艺,成就了这款优秀的轴承它在化工设备中的应用,展现了它的耐腐蚀性 它的尺寸一致性,让批量生产成为可能 旋转不息承载重载历经岁月设计独特的轴承,不仅性能优越,还具有很高的性价比,八零动力SKF球面滚子轴承品种全,价格优,质量有保证!

用户关注最多的SKF轴承型号

SKF1212EKTN9+H212 SKF2x7308BEGAM* SKF626/HR11TN SKF7211AC/DB SKFCR12637 SKFCR37342 SKFCR411500 SKFK37x42x17 SKFNN49/1000/W33X SKFNUP2226ECP SKFPCM8590100M SKFS71908CD/P4A SKFSAF22317 SKFSNL3080FTURT SKFW09

24128-2CS5/VT143*球面滚子轴承近似的SKF轴承型号

SKF24128-2CS5/VT143* SKF24128CC/W33* SKF24128CCK30/W33+AH24128* SKF24128CCK30/W33* SKF24126CC/W33* SKF24128CCK30/W33

用户关注最多的轴承狗热门型号

KOYO  260FC165880 STEYR  7238B/DF NSK  160TAC20D+L NSK  7009A5TYNDBLP4 NSK  N1012RXZTPKR LYC  231/500/W33 SKF  NNCF5064CV TIMKEN  155RIJ640 INA  GY1010-KRR-B-AS2/V NACHI  N1064 TIMKEN  442-S/432 SNR  7012AC/DT FAG  SNV072-L + 1207-K-TVH-C3 + H207 + DH507 TIMKEN  HM256849/HM256810CD+HM256849XC FAG  SNV120-L + 222SM60-TVPA + FSV513

版权所有©2009-2015 轴承狗zcgou.com ICP备案:津ICP备14004550号-13