SKF241/500ECA/W33*轴承详细参数

发布时间:2026-04-14
球面滚子轴承, 圆柱和圆锥孔, 圆柱型内孔, 无密封件
主要数据尺寸 基本负荷额定值 疲劳负荷限值 额定速度 体积 型号
动态 静态 参照速度 限制速度
d D B C C0 Pu * - SKF Explorer 轴承
mm kN kN r/min kg -
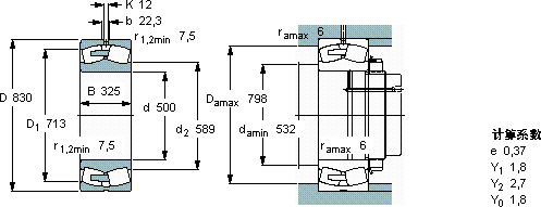
5008303259800170001120320600700241/500 ECA/W33 *

SKF241/500ECA/W33*球面滚子轴承供应商

八零动力专业销售241/500ECA/W33*球面滚子轴承,库存SKF241/500ECA/W33*大量现货,与SKF合作,咨询热线:022-58519723业务咨询
SKF241/500ECA/W33*这轴承的稳定性极佳,在高速运转时也能保持良好状态没有轴承,现代机械将寸步难行,为您创造更多可能,该轴承的性能优越,极大地提高了设备的工作效率它的低摩擦设计,减少了能量损耗 它在家用电器中的应用,让生活更加便捷 ,八零动力SKF球面滚子轴承品种全,价格优,质量有保证!

用户关注最多的SKF轴承型号

SKF2206ETN9 SKF314756 SKF61872MA SKF71900ACD/HCP4A SKF71988ACMB SKF7200BEP SKFBTM70B/HCP4CDBA SKFBSD3062CG SKFCR14972 SKFCR595643 SKFCR75X95X12HMSA10RG SKFFYTL25THR SKFGEZ408ES-2RS SKFNJ228ECML* SKFPCM121410E

241/500ECA/W33*球面滚子轴承近似的SKF轴承型号

SKF24136CCK30/W33+AH24136* SKF24126CCK30/W33+AH24126* SKF24196ECAK30/W33+AOH24196* SKF24128-2CS5/VT143* SKF24172ECCK30J/W33+AOH24172* SKF241/850ECAK30F/W33 SKF24172ECCK30J/W33* SKF24152CC/W33* SKF24156CCK30/W33+AOH24156* SKF24124CCK30/W33+AH24124* SKF241/500ECAK30/W33* SKF241/530ECAK30/W33+AOH241/530G*

用户关注最多的轴承狗热门型号

LYC  32917/P6 SKF  PCMF202315E NACHI  NP218 FAG  SNV100-L + 21309-E1 + TSV309 SKF  NA4924 FAG  SNV085-L + 20209-K-TVP-C3 + H209 + TCV509 TIMKEN  K24X30X17H SKF  OKBS109 LYC  6207 E-2RS/P5 NSK  LM121915 NSK  241/600CAE4 RHP  3205A NACHI  230/500EW33K STEYR  7207B/DB STEYR  6219-Z

版权所有©2009-2015 轴承狗zcgou.com ICP备案:津ICP备14004550号-13