SKF24188ECAK30/W33*轴承详细参数

发布时间:2026-04-14
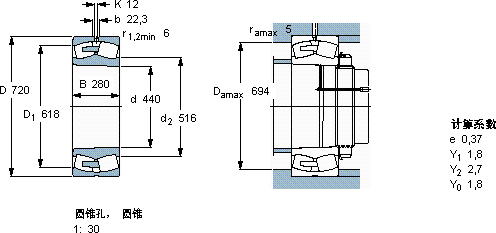
球面滚子轴承, 圆柱和圆锥孔, 圆锥型内孔, 无密封件
主要数据尺寸 基本负荷额定值 疲劳负荷限值 额定速度 体积 型号
动态 静态 参照速度 限制速度
d D B C C0 Pu * - SKF Explorer 轴承
mm kN kN r/min kg -
44072028075001320090040070045524188 ECAK30/W33 *

SKF24188ECAK30/W33*球面滚子轴承供应商

八零动力专业销售24188ECAK30/W33*球面滚子轴承,库存SKF24188ECAK30/W33*大量现货,与SKF合作,咨询热线:022-58519723业务咨询
SKF24188ECAK30/W33*它的品质卓越,为机械设备的高效运行提供了坚实后盾质量无可比拟的轴承,在行业内树立了良好的品质标杆优秀的设计让这款轴承在运行时更加高效节能旋转不息卓越的性能表现,让这款轴承在市场上脱颖而出它的润滑技术,让摩擦降至最低 ,八零动力SKF球面滚子轴承品种全,价格优,质量有保证!

用户关注最多的SKF轴承型号

SKF22238-2CS5K/VT143* SKF23134CCK/W33+AH3134G* SKF30304 SKF4313ATN9 SKF52308 SKF71905CD/HCP4A SKFBT2B332495/HA5 SKFCR525033 SKFNU30/670MA/342771 SKFNUP304ECP* SKFS71912CD/P4A SKFSC7020FB/P7 SKFUCFU212 SKFW628/8-2Z SKFYSA207-2FK

24188ECAK30/W33*球面滚子轴承近似的SKF轴承型号

SKF24188ECA/W33* SKF24188ECAK30/W33+AOH24188* SKF24188ECAK30/W33* SKF241/850ECAF/W33 SKF24188ECAK30/W33+AOH24188*

用户关注最多的轴承狗热门型号

RHP  NU218 INA  RAE30-NPP-NR LYC  51330 SKF  NUP2319ECML* NACHI  29260E INA  KSR25-B0-08-10-19-08 DKF  7232AC/DT NSK  6020VV SKF  GEZ112TXE-2LS LYC  6407 E/P6 FAG  SNV080-L + 20208-K-TVP-C3 + H208X105 + DH508X104 SKF  CR24980 FAG  23236-E1A-M SKF  SC71909DB/P7 TIMKEN  G1103KPPB3

版权所有©2009-2015 轴承狗zcgou.com ICP备案:津ICP备14004550号-13