SKF24128CCK30/W33+AH24128*轴承详细参数

发布时间:2026-04-15
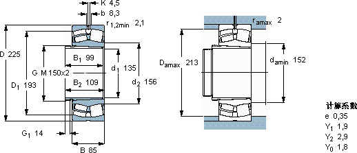
球面滚子轴承, 带退卸套的
主要数据尺寸 基本负荷额定值 疲劳负荷限值 额定速度 体积 型号
动态 静态 参照速度 限制速度 轴承 +退卸套
d1 D B C C0 Pu
* - SKF Explorer 轴承
mm kN kN r/min kg -
1352258576511601121700240014,324128 CCK30/W33 + AH 24128 *

SKF24128CCK30/W33+AH24128*球面滚子轴承供应商

八零动力专业销售24128CCK30/W33+AH24128*球面滚子轴承,库存SKF24128CCK30/W33+AH24128*大量现货,与SKF合作,咨询热线:022-58519723业务咨询
SKF24128CCK30/W33+AH24128*持久转动轴承的耐用性强,减少了设备的停机维护时间高精度与高可靠性的完美结合,成就了这款杰出的轴承它在家用电器中的应用,让生活更加便捷 它在印刷机械中的应用,展现了它的高精度 引领转动新潮流,,八零动力SKF球面滚子轴承品种全,价格优,质量有保证!

用户关注最多的SKF轴承型号

SKF23976CCK/W33+OH3976H* SKF240/500ECA/W33* SKF32017T66X/QDBC280 SKF331775B SKF5314A* SKFAH24032 SKFAOH2352G SKFBTM100B/HCP4CDBA SKFCR17771 SKFCR30x72x12CRWA1V SKFCR46950 SKFOKBS95 SKFSDAF23076 SKFSNW10x1.3/4 SKFSYR2.1/2-3

24128CCK30/W33+AH24128*球面滚子轴承近似的SKF轴承型号

SKF24128CCK30/W33* SKF24128CCK30/W33+AH24128* SKF24128-2CS5/VT143* SKF24128CC/W33* SKF24128CCK30/W33* SKF24128CC/W33

用户关注最多的轴承狗热门型号

NSK  32203 KOYO  54215 RIV  NF217 FAG  SNV340-L + 22332-K-MB + H2332X507 + DHV532X507 MRC  7320C NSK  7217A5TYNP5 KOYO  32319 RIV  N414 RHP  NF320 SKF  CR6X16X5HMSA10V SKF  NA4922 国产  7017CTA NTN  NUP1048 SKF  2215EKTN9 SKF  240/560ECAK30/W33*

版权所有©2009-2015 轴承狗zcgou.com ICP备案:津ICP备14004550号-13