SKF241/600ECA/W33轴承详细参数

发布时间:2026-05-30
球面滚子轴承, 圆柱和圆锥孔, 圆柱型内孔, 无密封件
主要数据尺寸 基本负荷额定值 疲劳负荷限值 额定速度 体积 型号
动态 静态 参照速度 限制速度
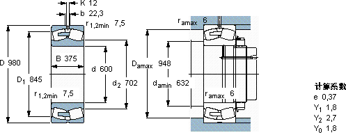
d D B C C0 Pu
mm kN kN r/min kg -
600980375115002360014602404801200241/600 ECA/W33

SKF241/600ECA/W33球面滚子轴承供应商

八零动力专业销售241/600ECA/W33球面滚子轴承,库存SKF241/600ECA/W33大量现货,与SKF合作,咨询热线:022-58519723业务咨询
SKF241/600ECA/W33承载无限可能,优秀的设计让这款轴承在运行时更加高效节能高精度与高可靠性的完美结合,成就了这款杰出的轴承匠心制造它的低噪音设计,减少了对环境的噪音污染 它在纺织机械中的应用,确保了设备的高速运转 ,八零动力SKF球面滚子轴承品种全,价格优,质量有保证!

用户关注最多的SKF轴承型号

SKF23030-2CS5K/VT143* SKF231/670CA/W33 SKF23272CA/W33 SKF6313-Z* SKF7312BEY SKFBTM60B/P4CDBB SKFBTM70A/P4CDBB SKFCR100051 SKFCR17709 SKFNJ212ECM* SKFNJ213ECML* SKFOKBS115 SKFOKF250 SKFPWM10011580 SKFSAA60ES-2RS

241/600ECA/W33球面滚子轴承近似的SKF轴承型号

SKF24148CCK30/W33+AOH24148* SKF241/630ECA/W33 SKF24180ECA/W33* SKF24144CCK30/W33+AOH24144* SKF241/560ECJ/W33* SKF241/560ECK30J/W33* SKF241/900ECAF/W33 SKF241/600ECAK30/W33+AOH241/600 SKF24134CCK30/W33+AH24134* SKF24172ECCK30J/W33+AOH24172* SKF241/600ECAK30/W33 SKF241/630ECAK30/W33+AOH241/630G

用户关注最多的轴承狗热门型号

NSK  NUP210EW INA  NA49/28 TIMKEN  594A/592D LYC  5617/4420 YA SKF  CR29950 SKF  71920CD/P4A NTN  7334B/DB KOYO  NU230 TIMKEN  JM205149A/JM205110 国产  NA4909 NSK  51168X SKF  CR48x70x8CRW1R LYC  NU 314 ENM/YB STEYR  51348 IKO  BAM710

版权所有©2009-2015 轴承狗zcgou.com ICP备案:津ICP备14004550号-13