SKF24124CCK30/W33+AH24124*轴承详细参数

发布时间:2026-04-29
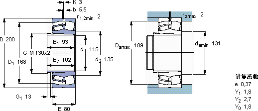
球面滚子轴承, 带退卸套的
主要数据尺寸 基本负荷额定值 疲劳负荷限值 额定速度 体积 型号
动态 静态 参照速度 限制速度 轴承 +退卸套
d1 D B C C0 Pu
* - SKF Explorer 轴承
mm kN kN r/min kg -
11520080655950951900260010,824124 CCK30/W33 + AH 24124 *

SKF24124CCK30/W33+AH24124*球面滚子轴承供应商

八零动力专业销售24124CCK30/W33+AH24124*球面滚子轴承,库存SKF24124CCK30/W33+AH24124*大量现货,与SKF合作,咨询热线:022-58519723业务咨询
SKF24124CCK30/W33+AH24124*转动不停歇其设计和制造都达到了极高的水准,是一款不可多得的轴承精准运转打造出了性能卓越的这款轴承,该轴承的精度控制达到了极致它的抗疲劳性能,确保了长期使用的可靠性 它的精密设计,展现了人类智慧的巅峰 ,八零动力SKF球面滚子轴承品种全,价格优,质量有保证!

用户关注最多的SKF轴承型号

SKF1322K SKF23176CA/W33* SKF294/950EF SKF71822CD/HCP4A SKF7307B/DF SKFBT4B334095G/HA4VA901 SKFCR25x38x7CRW1V SKFCR28751 SKFFNL508B SKFGEC560TXA-2RS SKFN088 SKFN224ECM* SKFNJ2232ECMA* SKFNU2304E SKFP52R-20RM

24124CCK30/W33+AH24124*球面滚子轴承近似的SKF轴承型号

SKF24124CCK30/W33* SKF24124CCK30/W33+AH24124* SKF24124CC/W33* SKF24124-2CS5/VT143* SKF24124CCK30/W33* SKF24124CC/W33

用户关注最多的轴承狗热门型号

NSK  NU213EW MRC  7300C/DB SKF  JHM720249/210/Q INA  TCJ65-214 SKF  NJ305ECML* TORRINGTON&FAFNIR  6313-Z SNR  30211 DKF  7038AC/DF 国产  NU222M KOYO  RS10/13 SKF  314897/VJ202 SKF  7306BEGAM* FLT  NU1005 SKF  N216E Stieber  ASNU60

版权所有©2009-2015 轴承狗zcgou.com ICP备案:津ICP备14004550号-13