SKF241/600ECAK30/W33轴承详细参数

发布时间:2026-04-14
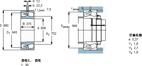
球面滚子轴承, 圆柱和圆锥孔, 圆锥型内孔, 无密封件
主要数据尺寸 基本负荷额定值 疲劳负荷限值 额定速度 体积 型号
动态 静态 参照速度 限制速度
d D B C C0 Pu
mm kN kN r/min kg -
600980375115002360014602404801185241/600 ECAK30/W33

SKF241/600ECAK30/W33球面滚子轴承供应商

八零动力专业销售241/600ECAK30/W33球面滚子轴承,库存SKF241/600ECAK30/W33大量现货,与SKF合作,咨询热线:022-58519723业务咨询
SKF241/600ECAK30/W33有效增强了机械设备的竞争力性能卓越的它,为机械设备的稳定运行提供了可靠保障它的滚动体与沟槽的配合,堪称完美 设计合理、性能优良的轴承,是机械设备的理想之选轴承的耐用性极佳,能够承受高强度的工作负荷其设计和制造都达到了极高的水准,是一款不可多得的轴承,八零动力SKF球面滚子轴承品种全,价格优,质量有保证!

用户关注最多的SKF轴承型号

SKF2x7407BCBM SKF51424M SKF6001-2RSLTN9/HC5C3WT SKF7008AC/DT SKF71909CD/HCP4A SKF7218C/DT SKFCR220x260x19.05HS8R SKFCR265x310x16HDS1R SKFCR40X72X10HMS5V SKFCR92x127x11CRWHA1R SKFFYR3.7/16 SKFGE12TXGR SKFSAF23032KAx5.3/8 SKFSYE2.3/16-18 SKFW619/6-2ZR

241/600ECAK30/W33球面滚子轴承近似的SKF轴承型号

SKF241/950ECAK30F/W33 SKF241/1000ECAK30F/W33+AOH241/1000 SKF24156CCK30/W33* SKF24144CCK30/W33* SKF241/1000ECAK30F/W33 SKF24120-2CS5/VT143* SKF241/900ECAK30F/W33 SKF241/950ECAK30F/W33+AOH241/950 SKF241/710ECA/W33 SKF24168ECCJ/W33* SKF241/600ECAK30/W33+AOH241/600 SKF241/600ECA/W33

用户关注最多的轴承狗热门型号

TORRINGTON&FAFNIR  7010AC FAG  22217-E1-K + AHX317 SKF  HCCE110R 国产  KS25*29*23 NTN  NJ2210E SKF  SYH1.1/2RM TIMKEN  K68X82X38,5H TIMKEN  24068YMB FAG  BND2238-Z-T-AF-S SKF  CR20X28X4HM4R BARDEN  7008C/DT NACHI  NJ2307 FAG  23284-B-K-MB SNR  6019-2RS IKO  CRW18-600

版权所有©2009-2015 轴承狗zcgou.com ICP备案:津ICP备14004550号-13