INA PAGBAO40-PP-AS直线球轴承及轴承座单元尺寸图纸

PAGBAO..-PP-AS系列开式设计,所有面进行密封,带再润滑设施的直线导引系统

目录

INA PAGBAO40-PP-AS轴承基本参数

INA直线球轴承及轴承座单元 PAGBAO40-PP-AS, 开式设计,所有面进行密封,带再润滑设施
压缩载荷拉伸载荷全部密封脂润滑油润滑
INA直线球轴承及轴承座单元 PAGBAO40-PP-AS, 开式设计,所有面进行密封,带再润滑设施
 
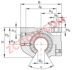
Fw40 mm  
H82,4 mm  
B108 mm  
L80 mm 公差:h12
 
A318 mm  
A554 mm  
B218,2 mm 和直径 Fw 有关的尺寸 B2
H245 mm  
H611 mm 公差: -0,5
JB86 mm 公差: +/-0,2
JL58 mm 公差: +/-0,2
K5M8  
K8NIPA2 润滑嘴
L478 mm  
L556 mm  
N19,2 mm 根据 ISO 4762-8.8 标准的固定螺钉
如果有调节螺钉,应有螺钉防松措施。
N315 mm 根据 ISO 4762-8.8 标准的固定螺钉
如果有调节螺钉,应有螺钉防松措施。
W4 Nm 记下最大的锁紧力矩。
最大拧紧力矩 5 Nm
α54 °  
 
m0,91 kg 质量

INA PAGBAO40-PP-AS轴承供货商

八零动力专业销售德国INAPAGBAO40-PP-AS直线球轴承及轴承座单元,库存德国INAPAGBAO40-PP-AS直线球轴承及轴承座单元大量现货,与厂家常年批量订购PAGBAO40-PP-AS轴承,咨询热线:022-58519723业务咨询

INAPAGBAO40-PP-AS,我选八零动力,品种全,价格优,质量有保证!大客户热线:022-58519722

其他品牌PAGBAO40-PP-AS轴承同类可代替型号

PAGBAO40-PP-AS它的高效率,减少了能源消耗 它在家用电器中的应用,让生活更加便捷 它的润滑技术,让摩擦降至最低 这款轴承的稳定性极佳,在长时间运行中也能保持良好状态让您的机械如虎添翼,它的密封性能,完美抵御灰尘和杂质的侵袭 减少摩擦降低能耗制造工艺先进,使得这款轴承的性能远超普通产品PAGBAO40-PP-AS

INA PAGBAO40-PP-AS轴承近似型号

INAPAGBAO30-PP-AS INAPAGBAO50-PP-AS INA KGNC40-C-PP-AS INA KTBO40-PP-AS INA KGNCS40-C-PP-AS INA KGNS40-C-PP-AS INA KGB40-PP-AS INA KGSNO40-PP-AS INA KGSC40-PP-AS INA KGBAS40-PP-AS INA KTB40-PP-AS INA KTN40-C-PP-AS

热门点击型号

FAG SNV072-L+2306-K-TVH-C3+H2306+DHV606 FAG SNV200-L+23222-E1-K-TVPB+H2322+TCV522 FAG SNV180-L+23220-E1-K-TVPB+H2320X310+TSV520X31 FAG SD3192-H-TS-BL-L+23192-K-MB FAG SNV120-L+1213-K-TVH-C3+H213X203+TCV513X203 FAG 6306-2Z FAG 7602025-TVP FAG BND2218-H-C-Y-AL-S FAG BND3028-H-C-T-AL-S INA PAP7580-P10 KOYO6306-Z KOYO48684/20 SKF7015CD/HCP4A FAGH241/500-HG RHP71928C SKFNU2219E FAGSNV290-L+222S.507+FSV532X507 LYC011.40.800.12 NTNLH-22218EK+H318X NMBR-2210X3

版权所有©2010-2017 轴承狗zcgou.com 上次更新:2026-05-30