SKF239/750CAK/W33*轴承详细参数

发布时间:2026-04-15
球面滚子轴承, 圆柱和圆锥孔, 圆锥型内孔, 无密封件
主要数据尺寸 基本负荷额定值 疲劳负荷限值 额定速度 体积 型号
动态 静态 参照速度 限制速度
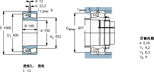
d D B C C0 Pu * - SKF Explorer 轴承
mm kN kN r/min kg -
7501000185600013200815320560405239/750 CAK/W33 *

SKF239/750CAK/W33*球面滚子轴承供应商

八零动力专业销售239/750CAK/W33*球面滚子轴承,库存SKF239/750CAK/W33*大量现货,与SKF合作,咨询热线:022-58519723业务咨询
SKF239/750CAK/W33*它的微观表面处理,减少了摩擦和磨损 它在机床设备中的应用,确保了加工精度 它的质量卓越,为机械设备的安全运行保驾护航让工作更高效,高精度的制造工艺,造就了这款高品质的轴承为您的机械注入强大动力,,八零动力SKF球面滚子轴承品种全,价格优,质量有保证!

用户关注最多的SKF轴承型号

SKF23220CCK/W33+H2320 SKF249/800CA/W33* SKF2x7324BGBM SKF61808-2RS1 SKF6204-RS SKF7008AC SKF71804CD/P4A SKF89315TN SKFCR400454 SKFCR99159 SKFHCCE090R SKFLS130170 SKFN316E SKFNU20/750ECMA SKFP25FM

239/750CAK/W33*球面滚子轴承近似的SKF轴承型号

SKF239/900CAK/W33* SKF23972CCK/W33+OH3972H* SKF23936CCK/W33 SKF23956CCK/W33 SKF239/850CAK/W33+OH39/850H* SKF23976CC/W33* SKF239/710CA/W33* SKF23940CC/W33 SKF23938CC/W33 SKF239/1180CAKF/W33 SKF239/750CAK/W33+OH39/750H* SKF239/750CA/W33*

用户关注最多的轴承狗热门型号

NTN  6203-2RS INA  AUVL26126 国产  7217C SKF  CR402756 FLT  NJ418 TIMKEN  2582/2523-B SKF  54312U NACHI  6317NK SKF  23130CCK/W33+H3130 国产  22256CM KOYO  02878/20 TIMKEN  HM237546D/HM237510+HM237510EF SNR  7304C/DT IKO  TLA1516Z IKO  CF5FWBR

版权所有©2009-2015 轴承狗zcgou.com ICP备案:津ICP备14004550号-13