SKF239/750CA/W33*轴承详细参数

发布时间:2026-05-30
球面滚子轴承, 圆柱和圆锥孔, 圆柱型内孔, 无密封件
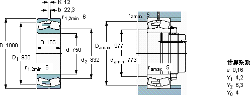
主要数据尺寸 基本负荷额定值 疲劳负荷限值 额定速度 体积 型号
动态 静态 参照速度 限制速度
d D B C C0 Pu * - SKF Explorer 轴承
mm kN kN r/min kg -
7501000185600013200815320560420239/750 CA/W33 *

SKF239/750CA/W33*球面滚子轴承供应商

八零动力专业销售239/750CA/W33*球面滚子轴承,库存SKF239/750CA/W33*大量现货,与SKF合作,咨询热线:022-58519723业务咨询
SKF239/750CA/W33*轴承的耐用性超乎想象,有效降低了设备的维护成本它的密封性能,减少了润滑剂的泄漏 转动世界的精密之选,它的精密装配,确保了整体性能的卓越 轴承的稳定性和可靠性表现出色,赢得了用户的高度认可它在矿山设备中的应用,确保了设备的高负载能力 ,八零动力SKF球面滚子轴承品种全,价格优,质量有保证!

用户关注最多的SKF轴承型号

SKF2x7310BEGBP* SKF61988MA SKFAXK1528 SKFCR11650 SKFCR31227 SKFCR400x450x17.5HDS2R SKFHK1414RS SKFHK2538 SKFLM361649A/610 SKFNJ2326E SKFNJ422 SKFSAF23036KAx6.7/16 SKFSAW23518x3.1/16 SKFSNL3036/6.7/16TURT SKFUC205

239/750CA/W33*球面滚子轴承近似的SKF轴承型号

SKF239/850CAK/W33+OH39/850H* SKF23980CCK/W33* SKF23976CCK/W33+OH3976H* SKF23944CC/W33 SKF23936CCK/W33+H3936 SKF239/630CA/W33* SKF23992CAK/W33* SKF239/710CA/W33* SKF239/670CA/W33* SKF23968CCK/W33* SKF239/750CAK/W33* SKF239/800CAK/W33+OH39/800H*

用户关注最多的轴承狗热门型号

KOYO  N240 SKF  21308EK+H308* INA  K43X48X17 国产  6216-NR SKF  NCF1888V SKF  NNF5019ADB-2LSV INA  RWS1808-350/x350/x122 FAG  BND3052-Z-Y-AL-S NACHI  H-E33208J NSK  MR115VV SKF  NNTR80x200x90.2ZL 国产  NU2344EM SKF  CR60X85X10HMS5RG IKO  CRH20VR IKO  LMSL4F

版权所有©2009-2015 轴承狗zcgou.com ICP备案:津ICP备14004550号-13