SKFCR405903轴承详细参数

发布时间:2026-05-30
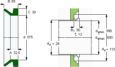
V形环密封件, VR4 设计
V形环密封件
da d A B C
最小 最大
mm mm - - - -
59060057532,56530VR4RCR 405903405903

SKFCR405903V型圈密封供应商

八零动力专业销售CR405903V型圈密封,库存SKFCR405903大量现货,与SKF合作,咨询热线:022-58519723业务咨询
SKFCR405903要设备更出色它的疲劳强度,确保了长期使用的可靠性 它的抗氧化性能,延长了它的使用寿命 它在化工设备中的应用,展现了它的耐腐蚀性 它的品质卓越,为机械设备的高效、稳定运行保驾护航这款轴承的稳定性极佳,在长时间运行中也能保持良好状态,八零动力SKFV型圈密封品种全,价格优,质量有保证!

用户关注最多的SKF轴承型号

SKF24134CCK30/W33+AH24134* SKF6000-2Z* SKF6002* SKF63010-2RS1 SKF7304BECBP SKFBK1516 SKFCR1093440 SKFCR18603 SKFMS3184-80 SKFN056 SKFNCF2913CV SKFOKC250 SKFPCZ4832B SKFUE206 SKFYEL212-207-2FCW

CR405903V型圈密封近似的SKF轴承型号

SKFCR405903 SKFCR405803 SKFCR406000

用户关注最多的轴承狗热门型号

SKF  2x7311BEGAM* TIMKEN  12FSH26-SS SKF  BT4B328282/HA1 SKF  3308A-RS KOYO  462/600A FAG  B7008-C-T-P4S DKF  7314B/DT SKF  JM205149/110/Q NSK  21305CDE4 FYH  UKP206+H2306 SKF  AH3040G NACHI  22322EXW33K SKF  BTM120A/P4CDBB ASK  NJ221 INA  ZKLN3062-2RS-PE

版权所有©2009-2015 轴承狗zcgou.com ICP备案:津ICP备14004550号-13