SKF23992CA/W33*轴承详细参数

发布时间:2026-05-29
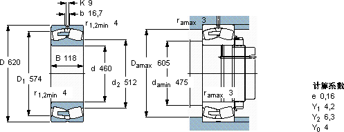
球面滚子轴承, 圆柱和圆锥孔, 圆柱型内孔, 无密封件
主要数据尺寸 基本负荷额定值 疲劳负荷限值 额定速度 体积 型号
动态 静态 参照速度 限制速度
d D B C C0 Pu * - SKF Explorer 轴承
mm kN kN r/min kg -
46062011825005000355600100010523992 CA/W33 *

SKF23992CA/W33*球面滚子轴承供应商

八零动力专业销售23992CA/W33*球面滚子轴承,库存SKF23992CA/W33*大量现货,与SKF合作,咨询热线:022-58519723业务咨询
SKF23992CA/W33*减少摩擦降低能耗它的耐用性,赢得了无数用户的信赖 运转起来如此顺滑,这款轴承的制造工艺着实令人赞叹它的密封性能,完美抵御灰尘和杂质的侵袭 优秀的轴承,就像精密仪器的心脏,确保着整个系统的高效运转承载重载历经岁月,八零动力SKF球面滚子轴承品种全,价格优,质量有保证!

用户关注最多的SKF轴承型号

SKF2x7313BECBF SKF61934MA SKF71901CD/P4A SKF7318BEM SKFC2214KTN9+AH314G* SKFCR22319 SKFCR75069 SKFH317 SKFKMFE36 SKFP72R-1.3/16RM SKFPCM242715E SKFPCZ3632M SKFPFD1.1/4FM SKFRNU2208ECP* SKFTU1.1/2FM

23992CA/W33*球面滚子轴承近似的SKF轴承型号

SKF23992CAK/W33* SKF23992CAK/W33+OH3992H* SKF23992CA/W33* SKF23992CA/W33 SKF239/950CA/W33

用户关注最多的轴承狗热门型号

TIMKEN  180RT30 TIMKEN  JLM506849A/JLM506811 国产  7207AC SKF  BK2512 LYC  350607 X3TN1-2RS NTN  7040C/DT GMN  7236AC/DT 国产  NU222 SYEYR  NU2316E TORRINGTON  23096CACK/W33 NACHI  28584R./28521 SKF  CR45X58X7HMSA10V GMN  7206AC LYC  22217 K/C3 SKF  W61902

版权所有©2009-2015 轴承狗zcgou.com ICP备案:津ICP备14004550号-13