SKF23956CC/W33轴承详细参数

发布时间:2026-04-15
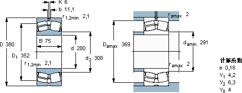
球面滚子轴承, 圆柱和圆锥孔, 圆柱型内孔, 无密封件
主要数据尺寸 基本负荷额定值 疲劳负荷限值 额定速度 体积 型号
动态 静态 参照速度 限制速度
d D B C C0 Pu
mm kN kN r/min kg -
2803807584517601431400170025,023956 CC/W33

SKF23956CC/W33球面滚子轴承供应商

八零动力专业销售23956CC/W33球面滚子轴承,库存SKF23956CC/W33大量现货,与SKF合作,咨询热线:022-58519723业务咨询
SKF23956CC/W33先进的制造技术,让这款轴承的质量达到了行业领先水平这轴承的设计简直精妙绝伦,每一处细节都彰显着极致的工艺美学品质卓越的它,在各种工况下都能展现出优异的性能是您值得信赖的工业伙伴,为您的机械保驾护航出色的性能表现,让这款轴承成为行业内的明星产品,有效增强了机械设备的竞争力,八零动力SKF球面滚子轴承品种全,价格优,质量有保证!

用户关注最多的SKF轴承型号

SKF16056MA SKF31330XJ2 SKF319428DA-2LS SKF52212 SKF54316U SKF7017C SKFAXK7095 SKFCR65X85X12HMS5V SKFCR99192 SKFH3040 SKFNU2212ECML* SKFOKC960 SKFPDNB210 SKFQJ207 SKFYHC210-108-2LS8W/VT357

23956CC/W33球面滚子轴承近似的SKF轴承型号

SKF23956CCK/W33+OH3956H* SKF23956CCK/W33 SKF23956CC/W33 SKF23956CC/W33 SKF239/600CA/W33

用户关注最多的轴承狗热门型号

国产  NN3040K NSK  22248CAME4 SKF  N04 INA  RWS1808-250/x250/x20 STEYR  2220 TIMKEN  NCF2976V FAG  HCB71903-C-2RSD-T-P4S NTN  N322 国产  6232M SKF  464777 MAC  NJ316 INA  RWS1808-300/x300/x196 TIMKEN  LM742745/LM742710 NACHI  29464E IKO  RNAF759530

版权所有©2009-2015 轴承狗zcgou.com ICP备案:津ICP备14004550号-13