SKF239/630CAK/W33*轴承详细参数

发布时间:2026-05-30
球面滚子轴承, 圆柱和圆锥孔, 圆锥型内孔, 无密封件
主要数据尺寸 基本负荷额定值 疲劳负荷限值 额定速度 体积 型号
动态 静态 参照速度 限制速度
d D B C C0 Pu * - SKF Explorer 轴承
mm kN kN r/min kg -
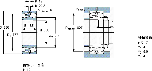
63085016546509800640400700270239/630 CAK/W33 *

SKF239/630CAK/W33*球面滚子轴承供应商

八零动力专业销售239/630CAK/W33*球面滚子轴承,库存SKF239/630CAK/W33*大量现货,与SKF合作,咨询热线:022-58519723业务咨询
SKF239/630CAK/W33*要设备更出色质量无可挑剔的轴承,在行业内树立了良好的口碑和形象设计独特、性能优越的轴承,满足了不同用户的需求这轴承的设计巧妙,充分考虑了设备的运行需求和维护便利性品质卓越的它,在各种工况下都能展现出优异的性能是您成功路上的得力助手,,八零动力SKF球面滚子轴承品种全,价格优,质量有保证!

用户关注最多的SKF轴承型号

SKF2202ETN9 SKF2206EKTN9 SKF32248J2/HA1 SKF6305/VA201 SKF709CD/HCP4A SKF7221ACD/P4A SKFCR35X55X8HMS5V SKFFYTB25TF SKFNA4901 SKFNCF28/900V SKFNNCF4980CV SKFPCM404440E SKFSDAF23268KAx12.7/16 SKFSNW138x7 SKFTUL35TH

239/630CAK/W33*球面滚子轴承近似的SKF轴承型号

SKF23988CCK/W33+OH3988H* SKF239/630CA/W33* SKF23984CCK/W33* SKF23980CCK/W33* SKF239/710CAK/W33+OH39/710H* SKF23968CCK/W33* SKF239/530CAK/W33* SKF23948CCK/W33 SKF23976CCK/W33* SKF23988CC/W33* SKF239/630CAK/W33+OH39/630H* SKF239/630CA/W33*

用户关注最多的轴承狗热门型号

INA  GIR20-UK SKF  NCF29/800V 国产  61917-ZN SKF  NKXR40 FAG  SNV215-L + 22224-E1-K + H3124X404 + TSV524X404 TIMKEN  SDAF22317 STEYR  6311N TIMKEN  436/432X MRC  7219AC/DT TIMKEN  HMV-50 LYC  6305 E-2RZ KOYO  7307AC/DT FAG  BND3152-H-W-Y-AF-S NSK  7022ADT IKO  LRB364428

版权所有©2009-2015 轴承狗zcgou.com ICP备案:津ICP备14004550号-13