SKF239/560CA/W33*轴承详细参数

发布时间:2026-04-15
球面滚子轴承, 圆柱和圆锥孔, 圆柱型内孔, 无密封件
主要数据尺寸 基本负荷额定值 疲劳负荷限值 额定速度 体积 型号
动态 静态 参照速度 限制速度
d D B C C0 Pu * - SKF Explorer 轴承
mm kN kN r/min kg -
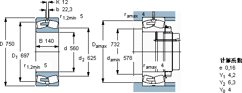
56075014034507200510450850175239/560 CA/W33 *

SKF239/560CA/W33*球面滚子轴承供应商

八零动力专业销售239/560CA/W33*球面滚子轴承,库存SKF239/560CA/W33*大量现货,与SKF合作,咨询热线:022-58519723业务咨询
SKF239/560CA/W33*它的每一次转动,都是对效率的极致追求 它的沟槽设计,完美匹配滚动体的运动轨迹 轴承的精度极高,使得设备的运行误差被控制在极小范围内坚固耐用这轴承的稳定性极佳,即使在恶劣环境下也能正常工作设计合理、性能优良的它,是机械设备实现高效运行的重要保障,八零动力SKF球面滚子轴承品种全,价格优,质量有保证!

用户关注最多的SKF轴承型号

SKF22330CCJA/W33VA406* SKF6316-RS SKF71913ACD/P4A SKF7207AC/DB SKF7236C/DT SKF81214 SKFBSD4090CG SKFCR1125524 SKFCR15097 SKFCR400950 SKFCR75X95X12HMSA10RG SKFFY35WF SKFHE320 SKFNNF5004ADA-2LSV SKFSYR1.1/2-18

239/560CA/W33*球面滚子轴承近似的SKF轴承型号

SKF23976CCK/W33* SKF239/1180CAF/W33 SKF23956CCK/W33+OH3956H* SKF23976CC/W33* SKF23936CCK/W33+H3936 SKF23964CC/W33* SKF23980CCK/W33+OH3980H* SKF23948CC/W33 SKF23988CCK/W33* SKF23968CC/W33* SKF239/560CAK/W33* SKF239/600CAK/W33+OH39/600H*

用户关注最多的轴承狗热门型号

GMN  7007C/DF INA  CSCU055-2RS BARDEN  7236C/DT NTN  23244CCK/W33 SKF  314-2Z SKF  SR3/4FM KOYO  JH415647/10 NTN  6301 国产  6022-NR 国产  6003- SKF  71822CD/HCP4A NTN  NJ2315 NSK  53408 TIMKEN  HH234049/HH234011CD+HH234049XA INA  AM30

版权所有©2009-2015 轴承狗zcgou.com ICP备案:津ICP备14004550号-13