SKF239/630CA/W33*轴承详细参数

发布时间:2026-05-29
球面滚子轴承, 圆柱和圆锥孔, 圆柱型内孔, 无密封件
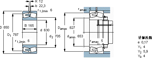
主要数据尺寸 基本负荷额定值 疲劳负荷限值 额定速度 体积 型号
动态 静态 参照速度 限制速度
d D B C C0 Pu * - SKF Explorer 轴承
mm kN kN r/min kg -
63085016546509800640400700280239/630 CA/W33 *

SKF239/630CA/W33*球面滚子轴承供应商

八零动力专业销售239/630CA/W33*球面滚子轴承,库存SKF239/630CA/W33*大量现货,与SKF合作,咨询热线:022-58519723业务咨询
SKF239/630CA/W33*它的耐高温性能,减少了冷却系统的能耗 高精度与高可靠性的完美结合,成就了这款杰出的轴承以精湛工艺铸就品质卓越的它,为机械设备的稳定、高效运行提供了支持这款轴承的运转十分平稳,几乎感受不到任何震动轴承的耐用性出色,能够长时间保持良好的工作状态,八零动力SKF球面滚子轴承品种全,价格优,质量有保证!

用户关注最多的SKF轴承型号

SKF1210EKTN9 SKF2212ETN9 SKF22224EK+H3124* SKF23036CCK/W33+AH3036* SKF59164M SKF6010-2RS1* SKFHMV20E SKFNKIB5903 SKFOKF590 SKFPCMS2005001.5E SKFPFT17RM SKFPWM455360 SKFQJ216MA* SKFSY1.3/16PF/AH SKFYEL212-207-2F

239/630CA/W33*球面滚子轴承近似的SKF轴承型号

SKF23952CCK/W33 SKF23938CCK/W33 SKF23996CAK/W33+OH3996H* SKF239/900CA/W33* SKF239/850CAK/W33+OH39/850H* SKF23948CCK/W33 SKF239/710CA/W33* SKF239/630CAK/W33* SKF23972CCK/W33* SKF239/750CAK/W33* SKF239/630CAK/W33* SKF239/670CAK/W33+OH39/670H*

用户关注最多的轴承狗热门型号

SKF  1306EKTN9 MRC  7008AC FAG  B7020-E-2RSD-T-P4S TIMKEN  67786/67720CD+X1S-67787 SKF  22248CAC/W33 SKF  CR18X30X6HMSA10RG NSK  24072CAK30E4 NSK  55BER19S 国产  6204-RS NSK  7026C SKF  SYE2.11/16N BARDEN  7005C/DF STEYR  NJ2209E SKF  CR400700 FLT  NJ316

版权所有©2009-2015 轴承狗zcgou.com ICP备案:津ICP备14004550号-13