SKF239/800CA/W33*轴承详细参数

发布时间:2026-05-30
球面滚子轴承, 圆柱和圆锥孔, 圆柱型内孔, 无密封件
主要数据尺寸 基本负荷额定值 疲劳负荷限值 额定速度 体积 型号
动态 静态 参照速度 限制速度
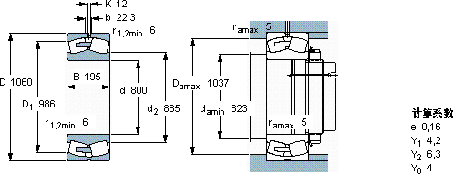
d D B C C0 Pu * - SKF Explorer 轴承
mm kN kN r/min kg -
8001060195640014300880300530470239/800 CA/W33 *

SKF239/800CA/W33*球面滚子轴承供应商

八零动力专业销售239/800CA/W33*球面滚子轴承,库存SKF239/800CA/W33*大量现货,与SKF合作,咨询热线:022-58519723业务咨询
SKF239/800CA/W33*这轴承的稳定性极佳,在高速运转时也能保持良好状态这款轴承的运转平稳,几乎听不到任何噪音,令人惊艳它在汽车工业中的应用,让车辆运行更加平稳 它机械世界的心脏,默默支撑着无数设备的运转 质量无可比拟的轴承,在行业内树立了良好的品质标杆质量无可挑剔的轴承,在行业内树立了良好的口碑和形象,八零动力SKF球面滚子轴承品种全,价格优,质量有保证!

用户关注最多的SKF轴承型号

SKF15103S/15243/Q SKF21310EK+H310* SKF23034CC/W33* SKF248/670CAMA/W20 SKF31317J2 SKF6202/HR22Q2 SKF6410 SKF71803ACD/HCP4 SKF7304BECBY SKFCR42475 SKFCR73X100X13CRSH11R SKFCR9997 SKFHK2030 SKFNNF5022ADA-2LSV SKFNX10

239/800CA/W33*球面滚子轴承近似的SKF轴承型号

SKF239/850CAK/W33* SKF239/530CAK/W33* SKF23944CC/W33 SKF23988CC/W33* SKF239/850CAK/W33+OH39/850H* SKF23948CC/W33 SKF23936CC/W33 SKF23972CCK/W33+OH3972H* SKF23996CAK/W33* SKF23960CC/W33 SKF239/800CAK/W33* SKF239/850CAK/W33+OH39/850H*

用户关注最多的轴承狗热门型号

SKF  SALA40ES-2RS FAG  HCB7009-C-T-P4S NSK  RNA4964 LYC  6003 E/Z1 FAG  6007-2Z SKF  22316CCK/W33 TIMKEN  467/452D/X1S-467 NACHI  7221B SKF  32220 NSK  303/32 国产  NJ2332M+HJ2332 LYC  22314 C/W33-SF LYC  7019 ACT/P4 DB STEYR  6032 SKF  6211NR*

版权所有©2009-2015 轴承狗zcgou.com ICP备案:津ICP备14004550号-13