SKF239/530CAK/W33*轴承详细参数

发布时间:2026-04-15
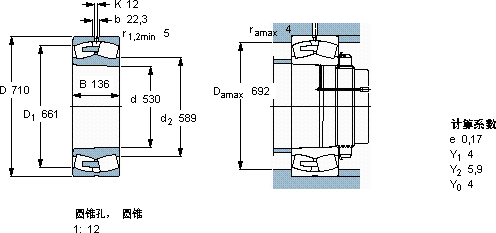
球面滚子轴承, 圆柱和圆锥孔, 圆锥型内孔, 无密封件
主要数据尺寸 基本负荷额定值 疲劳负荷限值 额定速度 体积 型号
动态 静态 参照速度 限制速度
d D B C C0 Pu * - SKF Explorer 轴承
mm kN kN r/min kg -
53071013632006700480500900150239/530 CAK/W33 *

SKF239/530CAK/W33*球面滚子轴承供应商

八零动力专业销售239/530CAK/W33*球面滚子轴承,库存SKF239/530CAK/W33*大量现货,与SKF合作,咨询热线:022-58519723业务咨询
SKF239/530CAK/W33*先进的制造技术和严格的质量检测,造就了这款优质轴承它的精密性,让它在高精度设备中无可替代 它的材质选择,体现了对耐用性的极致追求 高精度与高可靠性的完美结合,成就了这款杰出的轴承该轴承的性能出色,有效提升了机械设备的整体性能它的圆度误差几乎可以忽略不计 ,八零动力SKF球面滚子轴承品种全,价格优,质量有保证!

用户关注最多的SKF轴承型号

SKF2319M SKF3206A* SKF6092MB SKF61964MA SKF6202-2RSLTN9/HC5C3WT SKF6317-RS SKFAOH3144 SKFCR170X200X15HMS5RG SKFCR29872 SKFCR57X90X13CRSH11R SKFFY1.3/4TF/VA228 SKFM200x3 SKFNKI70/35 SKFPF15/16WF SKFRNAO22x35x16

239/530CAK/W33*球面滚子轴承近似的SKF轴承型号

SKF239/500CAK/W33+OH39/500H* SKF23976CCK/W33* SKF239/670CAK/W33* SKF23948CCK/W33+OH3948H SKF23976CC/W33* SKF23972CC/W33* SKF23940CCK/W33+H3940 SKF239/1060CAK/W33+OH39/1060H SKF239/900CA/W33* SKF23936CC/W33 SKF239/530CAK/W33+OH39/530H* SKF239/530CA/W33*

用户关注最多的轴承狗热门型号

TIMKEN  L521949/L521910 FAG  ZRB23X36-QP NTN  NJ412 NSK  7016CDF SKF  21314EK+AH314G* MAC  NUP228 KOYO  NJ420 LYC  2787/1440G NTN  6008-Z LYC  60/560 N1MAS/C3 NSK  7004A LYC  6212 E/C3Z1 INA  HK1516 KOYO  6915ZZ SKF  61903-2RS

版权所有©2009-2015 轴承狗zcgou.com ICP备案:津ICP备14004550号-13