SKF239/670CA/W33*轴承详细参数

发布时间:2026-05-30
球面滚子轴承, 圆柱和圆锥孔, 圆柱型内孔, 无密封件
主要数据尺寸 基本负荷额定值 疲劳负荷限值 额定速度 体积 型号
动态 静态 参照速度 限制速度
d D B C C0 Pu * - SKF Explorer 轴承
mm kN kN r/min kg -
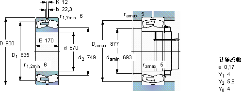
670900170500010800695360670315239/670 CA/W33 *

SKF239/670CA/W33*球面滚子轴承供应商

八零动力专业销售239/670CA/W33*球面滚子轴承,库存SKF239/670CA/W33*大量现货,与SKF合作,咨询热线:022-58519723业务咨询
SKF239/670CA/W33*转动精彩品质永相随精湛的制造工艺赋予了这款轴承出色的性能和可靠性它的低噪音设计,减少了对环境的噪音污染 它的加工精度,确保了机械运转的稳定性 它在家用电器中的应用,让生活更加便捷 ,八零动力SKF球面滚子轴承品种全,价格优,质量有保证!

用户关注最多的SKF轴承型号

SKF241/670ECAK30/W33+AOH241/670 SKF3204A-RS SKF3309ATN9 SKF5311E SKF6203-2ZNR* SKF7000C/DF SKF7007FB/P7 SKF7044C/DT SKF71902CD/HCP4A SKFC3984KMB+OH3984HE* SKFCR30X52X7HMSA10RG SKFMBL32 SKFNKI35/30 SKFNU228ECJ* SKFS7028ACD/P4A

239/670CA/W33*球面滚子轴承近似的SKF轴承型号

SKF23968CCK/W33+OH3968H* SKF239/850CAK/W33* SKF239/800CA/W33* SKF23940CCK/W33+H3940 SKF23992CA/W33* SKF23936CCK/W33+H3936 SKF23984CCK/W33* SKF239/560CA/W33* SKF239/900CA/W33* SKF23980CCK/W33* SKF239/670CAK/W33* SKF239/710CAK/W33+OH39/710H*

用户关注最多的轴承狗热门型号

NACHI  SN605E LYC  231/560/W33 INA  GE130-SW SKF  NK35/20 SKF  SNW30x5.3/16 INA  ZARF65155-TV FAG  239/600-B-K-MB + H39/600 TIMKEN  622A/612A FAG  SNV280-L + 22326-E1-K + H2326X407 + TCV526X407 SKF  BC2B319343B TIMKEN  6379/6320 SNR  634-2Z STEYR  52315 KOYO  29330 IKO  LHSA6

版权所有©2009-2015 轴承狗zcgou.com ICP备案:津ICP备14004550号-13