SKF232/750CAKF/W33+OH32/750H轴承详细参数

发布时间:2026-04-14
球面滚子轴承, 带紧定套的
主要数据尺寸 基本负荷额定值 疲劳负荷限值 额定速度 体积 型号
动态 静态 参照速度 限制速度 轴承 + 紧定套
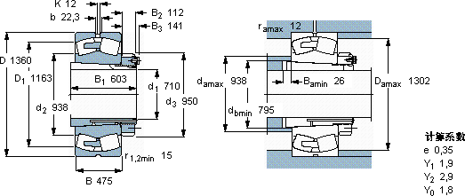
d1 D B C C0 Pu
mm kN kN r/min kg -
7101360475187003650021201903003485232/750 CAKF/W33 + OH 32/750 H

SKF232/750CAKF/W33+OH32/750H球面滚子轴承供应商

八零动力专业销售232/750CAKF/W33+OH32/750H球面滚子轴承,库存SKF232/750CAKF/W33+OH32/750H大量现货,与SKF合作,咨询热线:022-58519723业务咨询
SKF232/750CAKF/W33+OH32/750H它的精密装配,确保了整体性能的卓越 它的耐高温性能,让它在极端环境下依然稳定运行 持久转动它的精密设计,展现了人类智慧的巅峰 卓越的性能和可靠的质量,让这款轴承成为市场的宠儿设计合理、性能优良的它,是机械设备实现高效运行的重要保障,八零动力SKF球面滚子轴承品种全,价格优,质量有保证!

用户关注最多的SKF轴承型号

SKF239/850CA/W33 SKF311 SKF51214 SKF6002-2RZ SKF7014ACE/P4A SKF7321BECBP SKFBC2B316536 SKFCR13536 SKFCR315x355x18HDS1R SKFCR36X50X7HMSA10RG SKFCR5652 SKFFYJ1.3/4TF SKFNJ18/1180ECMA SKFNJ2992ECMA SKFOKTC485

232/750CAKF/W33+OH32/750H球面滚子轴承近似的SKF轴承型号

SKF232/670CAK/W33+OH32/670H SKF22322EJA/VA406* SKF22322EJA/VA405* SKF23240-2CS5/VT143* SKF22328CCJA/W33VA405* SKF23228-2CS5K/VT143* SKF23276CAK/W33+AOH3276G* SKF23252CCK/W33+OH2352H* SKF23236CC/W33* SKF22232-2CS5/VT143* SKF232/750CAKF/W33+AOH32/750 SKF232/750CAF/W33

用户关注最多的轴承狗热门型号

TIMKEN  AOH24172 NTN  7324AC/DT TORRINGTON  22234CC/W33 SKF  GE220ES NTN  NJ1088 NSK  65TAC20X+L 国产  7001AC KOYO  6311-2RS 国产  HK/8*14*12 SKF  IR12x15x12.5 国产  LBE12-AJA RIV  NU320 LYC  LM377448DGWJ2/LM377410J2/LM377449XAJ2/LM377410ECJ2 LYC  NU 1014 IKO  CF8UUR

版权所有©2009-2015 轴承狗zcgou.com ICP备案:津ICP备14004550号-13