SKF232/750CAF/W33轴承详细参数

发布时间:2026-04-15
球面滚子轴承, 圆柱和圆锥孔, 圆柱型内孔, 无密封件
主要数据尺寸 基本负荷额定值 疲劳负荷限值 额定速度 体积 型号
动态 静态 参照速度 限制速度
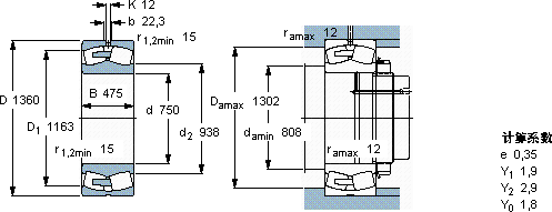
d D B C C0 Pu
mm kN kN r/min kg -
7501360475187003650021201903003050232/750 CAF/W33

SKF232/750CAF/W33球面滚子轴承供应商

八零动力专业销售232/750CAF/W33球面滚子轴承,库存SKF232/750CAF/W33大量现货,与SKF合作,咨询热线:022-58519723业务咨询
SKF232/750CAF/W33坚固耐用高精度的制造工艺,让这款轴承的性能更加出色转动世界的精密之选,它的密封性能,完美抵御灰尘和杂质的侵袭 它在印刷机械中的应用,展现了它的高精度 我们的轴承卓越的性能,八零动力SKF球面滚子轴承品种全,价格优,质量有保证!

用户关注最多的SKF轴承型号

SKF307-2Z SKF6001-2RSLTN9/HC5C3WT SKF638/8-2Z SKF7419GAM SKFCR20124 SKFHE3030 SKFNCF1888V SKFNJ209ECML* SKFNU222ECP* SKFNU305ECP* SKFNUKRE62A SKFPCMF121412E SKFSIQG200ES SKFSYE2NH-118 SKFSYNT70LW

232/750CAF/W33球面滚子轴承近似的SKF轴承型号

SKF232/500CAK/W33* SKF23276CAK/W33* SKF23288CAK/W33+AOHX3288G* SKF22324CCKJA/W33VA405* SKF232/750CAKF/W33 SKF23224CCK/W33+AHX3224G* SKF23222CCK/W33+H2322 SKF232/750CAKF/W33+OH32/750H SKF232/750CAF/W33 SKF232/560CAK/W33+AOH32/560 SKF232/750CAKF/W33+OH32/750H SKF232/750CAKF/W33

用户关注最多的轴承狗热门型号

TIMKEN  2691/2631-B SKF  SYJ50TF SKF  7244C/DB BARDEN  7207C/DB TORRINGTON FAFNIR  6201-2RS KOYO  7006AC SKF  HMVC22E SKF  AS4565 TIMKEN  K30X35X23F FLT  NU1010 SKF  K240x250x42 国产  QJF1017 国产  234716BM SKF  629-2Z FAG  61872-M

版权所有©2009-2015 轴承狗zcgou.com ICP备案:津ICP备14004550号-13