SKFOH3092H轴承详细参数

发布时间:2026-05-30
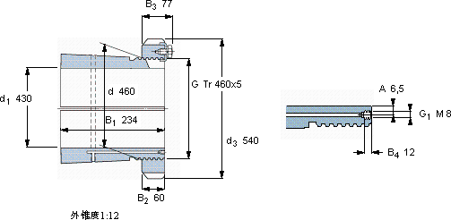
紧定套
尺寸 体积 型号
紧定轴套带螺母 锁定螺母 锁定装置 适宜的液压
d1 d d3 B1 G 和锁紧装置螺母
mm kg -
430460540234Tr 460x571,0OH 3092 HHM 3092MS 3092-88HMV 92 E

SKFOH3092H轴承附件供应商

八零动力专业销售OH3092H轴承附件,库存SKFOH3092H大量现货,与SKF合作,咨询热线:022-58519723业务咨询
SKFOH3092H品质卓越这款轴承的稳定性极佳,在长时间运行中也能保持良好状态它的设计巧妙,在保证性能的同时,还兼顾了安装的便捷性它的精密设计,展现了人类智慧的巅峰 转动世界的精密之选,它的抗剪切性能,确保了它的结构稳定性 ,八零动力SKF轴承附件品种全,价格优,质量有保证!

用户关注最多的SKF轴承型号

SKF2222M/W64 SKF2306E-2RS1TN9 SKF23136CCK/W33+AH3136G* SKF294/630 SKF31322XJ2 SKF7205CD/HCP4A SKF7415BM SKFCR21100 SKFCR24x38x7CRW1V SKFCR30X50X10HMS5V SKFCR60x85x8CRW1V SKFGS81288 SKFIR15x20x13 SKFN211ECP SKFNUP310ECJ*

OH3092H轴承附件近似的SKF轴承型号

SKFHM3092 SKFAOHX3092G SKFMS3092-88 SKFSNP3092x17 SKFOH3092H SKFOH3088HE SKFOH3096H

用户关注最多的轴承狗热门型号

SKF  C39/750KM* SKF  NUP2224ECJ* STEYR  1300 NACHI  7336DB FAG  SNV110-L + 2310-K-TVH-C3 + H2310X110 + TCV610X110 TIMKEN  K52X57X17FCH STEYR  NU326 SKF  6221-RS SKF  16076MA TIMKEN  K5X8X8TN ASAHI  UCP207 FAG  NU2264-EX-M1 SKF  312844/VJ202 KOYO  HM261049D/010/010D TIMKEN  EE192150/192200

版权所有©2009-2015 轴承狗zcgou.com ICP备案:津ICP备14004550号-13