SKF23260CCK/W33+OH3260H*轴承详细参数

发布时间:2026-05-29
球面滚子轴承, 带紧定套的
主要数据尺寸 基本负荷额定值 疲劳负荷限值 额定速度 体积 型号
动态 静态 参照速度 限制速度 轴承 + 紧定套
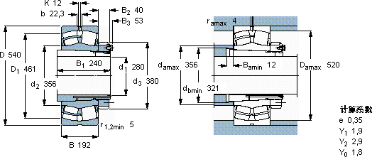
d1 D B C C0 Pu
* - SKF Explorer 轴承
mm kN kN r/min kg -
28054019239005850425750100021023260 CCK/W33 + OH 3260 H *

SKF23260CCK/W33+OH3260H*球面滚子轴承供应商

八零动力专业销售23260CCK/W33+OH3260H*球面滚子轴承,库存SKF23260CCK/W33+OH3260H*大量现货,与SKF合作,咨询热线:022-58519723业务咨询
SKF23260CCK/W33+OH3260H*稳定旋转的核心力量运转起来如此顺滑,这款轴承的制造工艺着实令人赞叹高品质的轴承,在各种复杂环境下都能稳定发挥作用卓越的性能表现,让这款轴承在市场上脱颖而出这轴承的设计精妙,充分考虑了各种实际应用需求轴承的精度和稳定性都达到了行业顶尖水平,八零动力SKF球面滚子轴承品种全,价格优,质量有保证!

用户关注最多的SKF轴承型号

SKF51220 SKF7217AC SKFBT4-8038G/HA1VA901 SKFCR10x24x7HMS4R SKFCR5652 SKFFYNT80L SKFN205ECP SKFNCF2984CV SKFNJ320ECJ* SKFNK22/20 SKFNNCL4972CV SKFNU2212ECP SKFNU348M SKFPF1/2RM SKFPWM556370

23260CCK/W33+OH3260H*球面滚子轴承近似的SKF轴承型号

SKF23260CC/W33* SKF23260CCK/W33+AOH3260G* SKF23260CCK/W33* SKF23260CCK/W33+OH3260H* SKF23260CCK/W33+AOH3260G* SKF23260CC/W33

用户关注最多的轴承狗热门型号

INA  RWS1808-100/x100/x14 INA  RWS1808-250/x250/x68 INA  ZM100 SKF  BC4B322719/HB1 TIMKEN  644/633 SKF  7209BECBM NSK  6003T1X SKF  CR65X90X10HMS5RG TIMKEN  93787/93127CD NTN  UK216+H2316 LYC  GE140ES NTN  230/1060B SKF  NUP215ECML* 国产  HK/13.5*20*12 IKO  LBE12UUAJ

版权所有©2009-2015 轴承狗zcgou.com ICP备案:津ICP备14004550号-13