SKF23284CA/W33*轴承详细参数

发布时间:2026-04-14
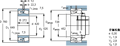
球面滚子轴承, 圆柱和圆锥孔, 圆柱型内孔, 无密封件
主要数据尺寸 基本负荷额定值 疲劳负荷限值 额定速度 体积 型号
动态 静态 参照速度 限制速度
d D B C C0 Pu * - SKF Explorer 轴承
mm kN kN r/min kg -
42076027273501160076545063053523284 CA/W33 *

SKF23284CA/W33*球面滚子轴承供应商

八零动力专业销售23284CA/W33*球面滚子轴承,库存SKF23284CA/W33*大量现货,与SKF合作,咨询热线:022-58519723业务咨询
SKF23284CA/W33*卓越的性能和可靠的质量,让这款轴承成为市场的宠儿您值得拥有顺滑无声承载重托它的热处理工艺,增强了它的硬度和韧性 轴承的稳定性和可靠性表现出色,赢得了用户的高度认可,八零动力SKF球面滚子轴承品种全,价格优,质量有保证!

用户关注最多的SKF轴承型号

SKF234722B SKF248/1320CAFA/W20 SKF32915TN9/QVG900 SKF6024N* SKF7018CD/P4A SKFC3076KM+AOH3076G* SKFCR13734 SKFCR1900260 SKFCR38X72X10HMS5V SKFHE315 SKFHK1616.2RS SKFN1021KTNHA/HC5SP SKFNKS45 SKFSNL3056/10.7/16TURT SKFSYE2.1/2NH-118

23284CA/W33*球面滚子轴承近似的SKF轴承型号

SKF23284CAK/W33+OH3284H* SKF23284CA/W33* SKF23284CAK/W33* SKF23284CAK/W33+AOH3284G* SKF23284CA/W33 SKF23288CACK/W33

用户关注最多的轴承狗热门型号

SKF  CR63X85X10HMSA10V FAG  SNV180-L + 20220-K-MB-C3 + H220 + DHV520 KOYO  RS283824 FLT  NU208 KOYO  7332C/DB NTN  6205-2ZN SKF  CR28X52X10HMS5V NACHI  N338 KOYO  47244 SKF  MS30/560 FAG  SNV160-L + 23218-E1-K-TVPB + H2318 + FSV518 LYC  6203 E-2Z/C2Z1 SKF  PCMF081009.5B FAG  BND3144-H-W-Y-BF-S IKO  LRX65

版权所有©2009-2015 轴承狗zcgou.com ICP备案:津ICP备14004550号-13