SKF232/670CAK/W33+OH32/670H轴承详细参数

发布时间:2026-04-14
球面滚子轴承, 带紧定套的
主要数据尺寸 基本负荷额定值 疲劳负荷限值 额定速度 体积 型号
动态 静态 参照速度 限制速度 轴承 + 紧定套
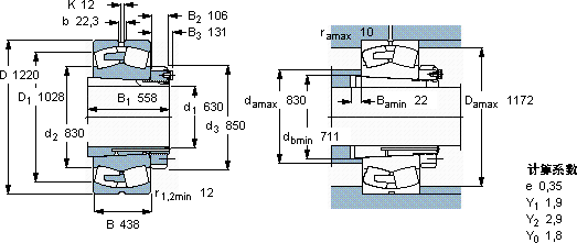
d1 D B C C0 Pu
mm kN kN r/min kg -
6301220438154003050017002203602535232/670 CAK/W33 + OH 32/670 H

SKF232/670CAK/W33+OH32/670H球面滚子轴承供应商

八零动力专业销售232/670CAK/W33+OH32/670H球面滚子轴承,库存SKF232/670CAK/W33+OH32/670H大量现货,与SKF合作,咨询热线:022-58519723业务咨询
SKF232/670CAK/W33+OH32/670H该轴承的性能卓越,完全满足了各种严苛工况的需求它的抗剪切性能,确保了它的结构稳定性 它的制造工艺,堪称工业艺术的典范 它的耐磨性能,让它在恶劣环境下依然稳定运行 是您成功路上的得力助手,它在印刷机械中的应用,展现了它的高精度 ,八零动力SKF球面滚子轴承品种全,价格优,质量有保证!

用户关注最多的SKF轴承型号

SKF1308K+H308 SKF2208E-2RS1KTN9+H308C SKF232/600CAK/W33+OH32/600H SKF32307/37BJ2/Q SKF7019CE/HCP4A SKFC71909DB/P7 SKFCR21X35X7HMS5RG SKFCR26191 SKFCR35X47X8HMSA10V SKFCR85x130x12CRW1R SKFFYT1.3/8TF/AH SKFFYTM1.1/2TF/AH SKFHA210 SKFNUP2216ECM* SKFOKC530

232/670CAK/W33+OH32/670H球面滚子轴承近似的SKF轴承型号

SKF22324-2CS5/VT143* SKF232/600CAK/W33+OH32/600H SKF23226CCK/W33* SKF22324CCK/W33+H2324* SKF23220CC/W33* SKF232/530CA/W33 SKF23228-2CS5K/VT143* SKF23252CCK/W33* SKF22322EJA/VA405* SKF22322E* SKF232/670CAK/W33+AOH32/670G SKF232/670CAK/W33

用户关注最多的轴承狗热门型号

SKF  FYC25TF NTN  61815N SKF  FYTM1.11/16TF/AH SKF  6216N SKF  23026CCK/33+H3026 SKF  3308 SKF  NA4910 SKF  NU213ECML* NTN  24064CACK30/W33 SKF  HMV180E FAG  BND2272-H-W-T-AL-S LYC  23096/W33 RHP  7209C/DF NTN  N206 SKF  CR99562

版权所有©2009-2015 轴承狗zcgou.com ICP备案:津ICP备14004550号-13