SKF23284CAK/W33+OH3284H*轴承详细参数

发布时间:2026-04-15
球面滚子轴承, 带紧定套的
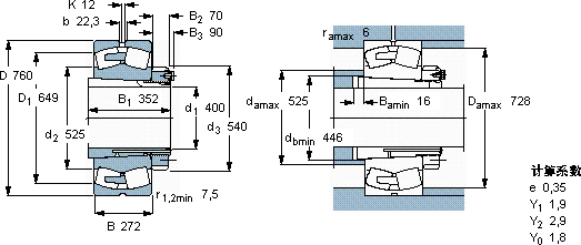
主要数据尺寸 基本负荷额定值 疲劳负荷限值 额定速度 体积 型号
动态 静态 参照速度 限制速度 轴承 + 紧定套
d1 D B C C0 Pu
* - SKF Explorer 轴承
mm kN kN r/min kg -
40076027273501160076545063059023284 CAK/W33 + OH 3284 H *

SKF23284CAK/W33+OH3284H*球面滚子轴承供应商

八零动力专业销售23284CAK/W33+OH3284H*球面滚子轴承,库存SKF23284CAK/W33+OH3284H*大量现货,与SKF合作,咨询热线:022-58519723业务咨询
SKF23284CAK/W33+OH3284H*它的高可靠性,减少了设备停机时间 轴承的稳定性和可靠性表现出色,赢得了用户的高度认可先进的制造工艺,让这款轴承的性能更加稳定可靠是机械世界的璀璨明星,它的品质卓越,为机械设备的高效、稳定运行保驾护航就是选择高效与可靠,八零动力SKF球面滚子轴承品种全,价格优,质量有保证!

用户关注最多的SKF轴承型号

SKF2215EKTN9 SKF24176ECAK30/W33+AOH24176* SKF31313J2/QCL7CDF SKF6215/C3VL0241 SKF7028AC/DT SKF71908CD/HCP4A SKF898/4/892/HA4Q SKFC2206TN9* SKFCR25X40X5HMSA10RG SKFCR26128 SKFNJG2352VH SKFNN3028/SPW33 SKFOH3948H SKFS71926CD/HCP4A SKFWS89434

23284CAK/W33+OH3284H*球面滚子轴承近似的SKF轴承型号

SKF23284CAK/W33* SKF23284CAK/W33+AOH3284G* SKF23284CAK/W33+OH3284H* SKF23284CA/W33* SKF231/800CAK/W33 SKF23284CA/W33

用户关注最多的轴承狗热门型号

STEYR  1210K+H210 SKF  6215 RIV  NJ2222 SKF  71912ACE/P4A TORRINGTON&FAFNIR  7214C INA  GYE90-KRR-B NSK  53216U LYC  517/25.338ZH ZKL  NU417 LYC  011.45.1250.12 LYC  6305 E-2Z/C3Z2错 TIMKEN  T182 NSK  LM2010 LYC  NU 316 EQ1/P69S0 IKO  YB810

版权所有©2009-2015 轴承狗zcgou.com ICP备案:津ICP备14004550号-13