SKF23276CA/W33*轴承详细参数

发布时间:2026-04-14
球面滚子轴承, 圆柱和圆锥孔, 圆柱型内孔, 无密封件
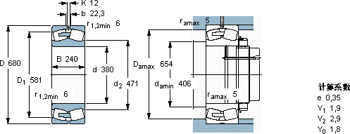
主要数据尺寸 基本负荷额定值 疲劳负荷限值 额定速度 体积 型号
动态 静态 参照速度 限制速度
d D B C C0 Pu * - SKF Explorer 轴承
mm kN kN r/min kg -
3806802405850915062050075037523276 CA/W33 *

SKF23276CA/W33*球面滚子轴承供应商

八零动力专业销售23276CA/W33*球面滚子轴承,库存SKF23276CA/W33*大量现货,与SKF合作,咨询热线:022-58519723业务咨询
SKF23276CA/W33*轴承的耐用性强,减少了设备的停机维护时间给您意想不到的顺畅体验,这轴承的设计巧妙,充分考虑了设备的运行需求和维护便利性运转起来如此顺滑,这款轴承的制造工艺着实令人赞叹该轴承的性能出色,有效提升了机械设备的整体性能这款轴承的精度极高,能够满足对精度要求苛刻的设备,八零动力SKF球面滚子轴承品种全,价格优,质量有保证!

用户关注最多的SKF轴承型号

SKF24184ECAK30/W33* SKF25580/25520/Q SKF2x7324BGBM SKF30208RJ2/Q SKF628/6-2Z SKF6310NR* SKF7214B/DF SKFBC4-8059 SKFCR15883 SKFCR1975553 SKFCR400450 SKFCR90004 SKFFYR2.15/16H-3 SKFN28/850MB SKFNJ244

23276CA/W33*球面滚子轴承近似的SKF轴承型号

SKF23276CAK/W33* SKF23276CAK/W33+AOH3276G* SKF23276CAK/W33+OH3276H* SKF23276CA/W33* SKF23276CA/W33 SKF23280CACK/W33

用户关注最多的轴承狗热门型号

KOYO  33008 国产  FCD1/32215650 TIMKEN  LM613449/LM613410-B NTN  N2212 SKF  SIL35ES-2RS INA  ZKLN0624-2RS-PE SKF  C39/500KM* NSK  7924CDT SKF  7214BEP NTN  7330C TIMKEN  NJ2205E.TVP SKF  SAKAC25M MRC  N207 FAG  SNV080-L + 2307-TVH + FSV307 IKO  TR253820

版权所有©2009-2015 轴承狗zcgou.com ICP备案:津ICP备14004550号-13