SKFCR401402轴承详细参数

发布时间:2026-04-14
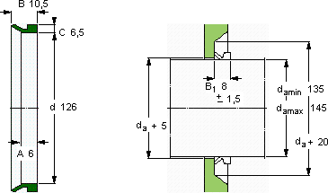
V形环密封件, VR3 设计
V形环密封件
da d A B C
最小 最大
mm mm - - - -
135145126610,56,5VR3RCR 401402401402

SKFCR401402V型圈密封供应商

八零动力专业销售CR401402V型圈密封,库存SKFCR401402大量现货,与SKF合作,咨询热线:022-58519723业务咨询
SKFCR401402它的耐腐蚀性,减少了维护成本 它的耐高温性能,减少了冷却系统的能耗 轴承的耐用性极佳,能够承受高强度的工作负荷这轴承的稳定性极佳,即使在恶劣环境下也能正常工作这款轴承的运转十分平稳,几乎感受不到任何震动它的质量过硬,为机械设备的高效、安全运行提供了保障,八零动力SKFV型圈密封品种全,价格优,质量有保证!

用户关注最多的SKF轴承型号

SKF3586/3525/Q SKF7006C/DT SKF71903ACD/HCP4A SKF71928ACD/HCP4A SKF7218BEGAF SKFBK1616 SKFCR401994 SKFCR534957 SKFFSAF22520x3.5/16 SKFGEZM104ES SKFNU305ECP SKFPF3/4TF SKFSNW122x4 SKFSYR1.15/16N-118 SKFYAR205-2RF

CR401402V型圈密封近似的SKF轴承型号

SKFCR401402 SKFCR401401 SKFCR401404

用户关注最多的轴承狗热门型号

INA  NRB1,5X11,8-G2 FAG  ZRB23X24-QP MRC  7216AC/DB INA  KGB12-PP-AS SKF  7315BECBP SKF  71940ACD/P4A GMN  7211AC/DT NTN  7926CDT INA  RWS1808-125/x125/x56 SKF  QJ1064N2MA MRC  NJ410 SKF  16002-Z TIMKEN  HM921343/HM921310D/HM921343XA SKF  KR47PPA IKO  KT242816

版权所有©2009-2015 轴承狗zcgou.com ICP备案:津ICP备14004550号-13