SKF232/670CAK/W33轴承详细参数

发布时间:2026-04-20
球面滚子轴承, 圆柱和圆锥孔, 圆锥型内孔, 无密封件
主要数据尺寸 基本负荷额定值 疲劳负荷限值 额定速度 体积 型号
动态 静态 参照速度 限制速度
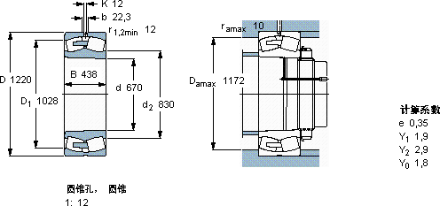
d D B C C0 Pu
mm kN kN r/min kg -
6701220438154003050017002203602205232/670 CAK/W33

SKF232/670CAK/W33球面滚子轴承供应商

八零动力专业销售232/670CAK/W33球面滚子轴承,库存SKF232/670CAK/W33大量现货,与SKF合作,咨询热线:022-58519723业务咨询
SKF232/670CAK/W33该轴承的性能出色,有效提升了机械设备的整体性能高品质的轴承,在复杂工况下也能展现出卓越的性能这款轴承的性能卓越,有效提升了设备的整体性能和可靠性转动世界的精密之选,为您的工程保驾护航,它的沟槽设计,完美匹配滚动体的运动轨迹 ,八零动力SKF球面滚子轴承品种全,价格优,质量有保证!

用户关注最多的SKF轴承型号

SKF3302A-2RS SKF6215-2RS1* SKF71812ACD/P4 SKFAH2238G SKFCR1530x1580x20HDS1R SKFCR405103 SKFCR6X16X5HMS5V SKFGEH25ES-2RS SKFH311 SKFIR8x12x10IS1 SKFNKI20/16 SKFNNU6952V SKFS7015CD/HCP4A SKFS7020DB/P7 SKFZ305

232/670CAK/W33球面滚子轴承近似的SKF轴承型号

SKF22324CC/W33* SKF23248CC/W33* SKF23218CC/W33* SKF23280CAK/W33+AOH3280G* SKF232/710CAK/W33+AOH32/710G SKF23230CCK/W33* SKF232/750CAKF/W33+AOH32/750 SKF22326CCK/W33* SKF22326CCKJA/W33VA405* SKF23224-2CS5/VT143* SKF232/670CAK/W33+OH32/670H SKF232/670CA/W33

用户关注最多的轴承狗热门型号

LYC  FC 5678220 FAG  BND3180-H-W-Y-AL-S TIMKEN  23092/23256 FAG  HCB7004-C-T-P4S SKF  CR529379 SKF  SNL3084GL SKF  313651 NACHI  7222CDF KOYO  96FC65450B FYH  UKK319+H2319 FAG  SNV120-L + 21311-E1-K + H311X115 + DH611 FAG  BND3148-H-W-Y-AF-S RHP  7030C/DF SKF  FYT3/4WF IKO  BHA88Z

版权所有©2009-2015 轴承狗zcgou.com ICP备案:津ICP备14004550号-13