SKF231/850CAK/W33+OH31/850H轴承详细参数

发布时间:2026-05-30
球面滚子轴承, 带紧定套的
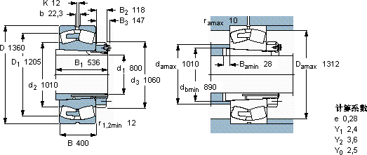
主要数据尺寸 基本负荷额定值 疲劳负荷限值 额定速度 体积 型号
动态 静态 参照速度 限制速度 轴承 + 紧定套
d1 D B C C0 Pu
mm kN kN r/min kg -
8001360400161003450020001803602800231/850 CAK/W33 + OH 31/850 H

SKF231/850CAK/W33+OH31/850H球面滚子轴承供应商

八零动力专业销售231/850CAK/W33+OH31/850H球面滚子轴承,库存SKF231/850CAK/W33+OH31/850H大量现货,与SKF合作,咨询热线:022-58519723业务咨询
SKF231/850CAK/W33+OH31/850H它的高效率,让机械运转更加节能 质量无可挑剔的轴承,为设备的高效运作提供了有力支持始终顺滑如初,它的抗冲击能力,让它经久不衰 它的静音设计,让机械运转如丝般顺滑 它的耐高温性能,让它在极端环境下依然稳定运行 ,八零动力SKF球面滚子轴承品种全,价格优,质量有保证!

用户关注最多的SKF轴承型号

SKF24060CAC/W33 SKF32004X/Q SKF7009ACD/P4A SKF81144M SKFBT2B328980A/HA2 SKFBTM120A/HCP4CDBB SKFC7006DB/P7 SKFCR100X120X10HMSA10RG SKFCR130x160x12CRW1V SKFCR18724 SKFCR23706 SKFCR87142 SKFK40x47x20 SKFNKI45/25 SKFZW42x52

231/850CAK/W33+OH31/850H球面滚子轴承近似的SKF轴承型号

SKF23164CC/W33* SKFBS2-2315-2CSK/VT143* SKFBS2-2311-2CSK/VT143* SKF23122-2CS5K/VT143* SKF22315EK+AHX2315G* SKF22312EK+AHX2312* SKF22318EJA/VA405* SKF231/560CAK/W33+OH31/560H* SKFBS2-2310-2CSK/VT143* SKF23196CA/W33* SKF231/850CAK/W33+AOH31/850 SKF231/850CAK/W33

用户关注最多的轴承狗热门型号

KOYO  NU1013 TIMKEN  78255D/78551+Y3S-78551 INA  KWVE15-B-H SKF  6214-2ZNR LYC  569164/P5 INA  KGHK40-B-PP-AS INA  MOGE-AS1-SCHN-10 SNR  7338AC/DF SKF  23096CAC/W33 FAG  HCB71915-E-T-P4S TIMKEN  GC1112KRRB SKF  OKCS270 SKF  61911-2RS SKF  GE200TXG3A-2LS IKO  BHA1610Z

版权所有©2009-2015 轴承狗zcgou.com ICP备案:津ICP备14004550号-13