SKF23128CC/W33*轴承详细参数

发布时间:2026-04-14
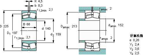
球面滚子轴承, 圆柱和圆锥孔, 圆柱型内孔, 无密封件
主要数据尺寸 基本负荷额定值 疲劳负荷限值 额定速度 体积 型号
动态 静态 参照速度 限制速度
d D B C C0 Pu * - SKF Explorer 轴承
mm kN kN r/min kg -
14022568630900882200280010,523128 CC/W33 *

SKF23128CC/W33*球面滚子轴承供应商

八零动力专业销售23128CC/W33*球面滚子轴承,库存SKF23128CC/W33*大量现货,与SKF合作,咨询热线:022-58519723业务咨询
SKF23128CC/W33*让您的机械如虎添翼,高精度的轴承,为设备的稳定运行提供了坚实保障轴承的耐用性出色,能够长时间保持良好的工作状态这款轴承的性能卓越,有效提高了设备的运行可靠性轴承的耐用性超乎想象,有效降低了设备的维护成本这轴承的设计简直精妙绝伦,每一处细节都彰显着极致的工艺美学,八零动力SKF球面滚子轴承品种全,价格优,质量有保证!

用户关注最多的SKF轴承型号

SKF23268CAC/W33 SKF30221J2 SKF331905 SKF52218 SKF6300-2Z/VA201 SKF7022AC/DB SKF7205BECBM SKF7222C SKFCR530484 SKFCR44960 SKFCR594025 SKFNUP217ECML* SKFPCM11011560B SKFSI80ES-2RS SKFSY2.3/4TF/AH

23128CC/W33*球面滚子轴承近似的SKF轴承型号

SKF23128CCK/W33+H3128 SKF23128CCK/W33+AHX3128* SKF23128CC/W33* SKF23128CCK/W33* SKF23128CC/W33 SKF2312K

用户关注最多的轴承狗热门型号

国产  6202/MT SKF  CR90065 LYC  NN 3056/P53 KOYO  21315RHK+AH315 SNR  3212 INA  GS81116 ZKL  N322 KOYO  NU213R KOYO  47T795529 FLT  7312B INA  PAPZ2020-P14 TORRINGTON&FAFNIR  71912AC TIMKEN  72219C/72487 LYC  6409 EN SKF  NNCF5040CV

版权所有©2009-2015 轴承狗zcgou.com ICP备案:津ICP备14004550号-13